作者:德州儀器應用工程師 Aaron Grgurich
本文提及的產品:TPSM5D1806
在專案計畫中,除了時程管理之外,不斷要求更多的元件整合和更高的功率密度可能會使工程師在設計系統電源架構時陷入困境。近一步看到測試和量測或光模組應用,問題將不再局限於設計的區域(x 軸和 y 軸);現在,它反而變成了一個 3D 拼圖遊戲,其中設計的高度(z 軸)也是一個約束條件。
幸運的是,您可以使用高功率密度降壓電源模組為您的電源設計增加必需的彈性。降壓電源模組將降壓控制器、電源開關、功率級電感器和其他被動元件(例如高頻旁路電容器和補償元件)整合在一個元件中。在本文中,我將解釋現代電源模組,尤其是雙通道模組,如何透過多相運作來協助處理關於解決方案中佔用面積和垂直高度(z-height)的挑戰。
縮減您的解決方案尺寸
在測試和量測以及航空電子設備等工業應用中,設計人員必須在三個維度上滿足嚴格的解決方案尺寸限制。現代高功率密度模組透過提供更緊密的整合、獨有的電路板空間和更靠近負載來幫助滿足這些要求。甚至透過整合高頻電容器、靴帶式電路元件和一個或多個功率級電感器等被動元件,進一步節省電路板空間並降低物料清單成本。與使用分離式轉換器相比,在整合電路中使用裸片可以將高頻電容器放置在更靠近模組內功率級的位置,尤其是在有印刷電路板(PCB)元件間隙限制的情況下。這些解決方案尺寸的優勢適用於單通道和雙通道電源模組。
在電路板上取得更大的彈性
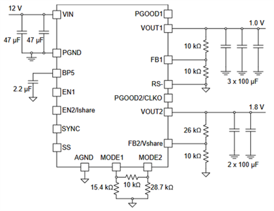
在有高度限制的應用中,薄型(low-profile)電源解決方案可以為 PCB 佈局帶來新的可能性。系統的物理形狀係數或系統外殼會限制 PCB 背面的元件高度,從而將電路板的該部分保留用於電容器和電阻器等薄型組件。您可以將薄型模組藏進另一個裝置的散熱器懸垂下方,例如可編程邏輯閘陣列(FPGA)或處理器本身的散熱器,從而利用之前受限的電路板面積。如圖 1,TPSM5D1806 降壓電源模組是一種薄型模組的範例。TPSM5D1806 高 1.8 毫米,比許多 1206 或 1210 陶瓷電容器來得短。

圖 1:帶有周圍旁路電容器的 TPSM5D1806 電源模組的薄型設計
較低的垂直高度與較小的 x-y 解決方案尺寸相結合,能夠將電源模組放置在更靠近其供電負載的位置,從而透過減少更長的寄生走線(parasitic traces)實現更準確和有效的調節。不過,您仍然需要將更高的解決方案放置在遠離負載的地方。
充分利用雙相運作
儘管單通道和雙通道模組都具有更小的解決方案尺寸,同時又能夠增加在電路板上放置元件的彈性。然而,在功率密度上,雙通道電源模組(如 TPSM5D1806)又比單通道電源模組更具有獨特的優勢。除了雙輸出模式(如圖 2),設計人員還可以使用雙通道電源模組並將它們連接在一起形成單輸出、雙相配置。拆分兩個整合電感器之間的電流使您可以使用垂直高度較短的電感器,每個電感器的飽和電流額定值都較低,進而節省了 z 軸的空間。相比之下,單相解決方案需要更高的電感器來匹配雙相解決方案的電流能力。
雙輸出模組還透過切換彼此異相的通道來減少輸入電容、降低峰值和 RMS 輸入電流,並進一步節省 x 軸和 y 軸的空間。技術文章「何時使用單通道與雙通道 DC/DC 降壓穩壓器」更詳細地解釋了這一概念。

圖 2:雙輸出配置中的 TPSM5D1806 電源模組設計佈局
結論
在設計中運用雙通道降壓電源模組,將可協助您運用與電源模組相關的所有功率密度優勢,包括具有薄型小型解決方案尺寸、更大的電路板空間和更大的靈活性以滿足您的各種設計考量。然而,雙通道電源模組在單輸出、雙相配置中使用時可提供額外的功率密度優勢,協助您在緊湊和功率密集的設計中更輕鬆地工作,同時還保有在單輸出(雙相位)或雙輸出(每個輸出一相)配置之間進行選擇的彈性。
其他資源
- 請參閱應用報告「了解電源模組運作限制」,學習更多電源模組的運作限制。
請查看技術文章「使用電源模組降低電源雜訊的 3 種方法」,了解如何使用電源模組降低電源雜訊。