Tool/software:
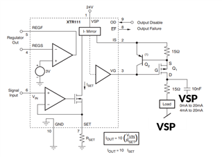
Is the XTR111 capable of driving a current loop which connects between VSP and the driver output stage, rather than between output and 0v?
I am upgrading a very old design where the customer prefers to sense the voltage across a resistor between o/p & 0v and the loop o/p is on the high-side of the drive circuit.
I was thinking of using the 15-ohm low-side resistor in your examples as the sense resistor - perhaps.
