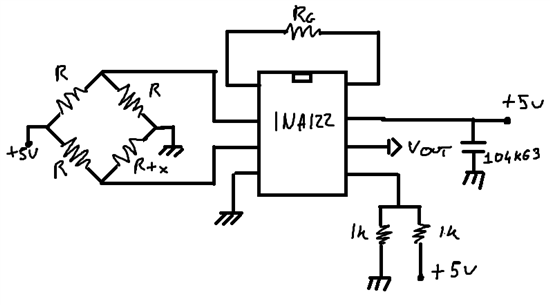
Hi, I have a problem with my loadcell and ina122 output. I've a wheatstone bridge connected to Vin+ and Vin-, Ref to 2.5v, and Rg is 500 Ohm. My output is too influenced by interferences on loadcell body. Seems there are no(or very low) interferences on circuit or on cable. Cable is shielded and the shield is connected to gnd and on loadcell body. If i touch loadcell body it stables and if i apply force it seem to work.
Here a video to better explain my problem:
http://www.videoweed.es/file/3p5c107xmjiar
Ty for your help.

