Hi Team,
As the Figure 1 PCM1840 DATASHEET typical circuit.
The IC input front side has 1uF capacitor isolation.
If there is no capacitor,
is it possible to have a bias voltage of 2.5V?
Please refer to Figure 2 Connection Method

This thread has been locked.
If you have a related question, please click the "Ask a related question" button in the top right corner. The newly created question will be automatically linked to this question.
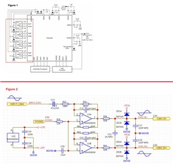
Hi Team,
As the Figure 1 PCM1840 DATASHEET typical circuit.
The IC input front side has 1uF capacitor isolation.
If there is no capacitor,
is it possible to have a bias voltage of 2.5V?
Please refer to Figure 2 Connection Method
