Part Number: PCM9211
Hi everyone,
Sorry, I've read a lot of forum pages about the PC9211, but I haven't found a solution:
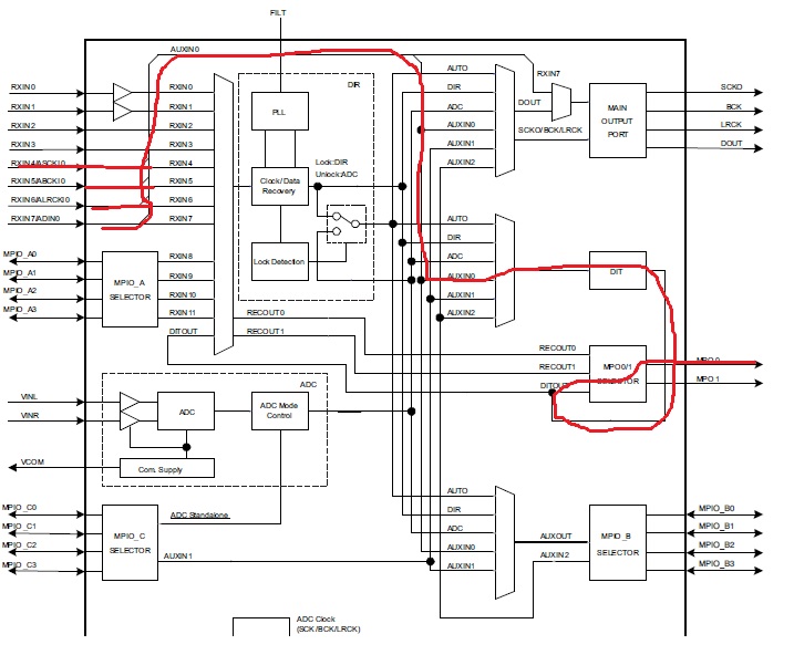
I've always used the PC9211 with an SPDIF input as a selector to send the desired input to MPO0. Now I'd also like to add an I2S input. My idea was to route it to AUXIN0, pass through the DIT, and always output SPDIF to MPO0.
What I always get at the output is a fixed clock, not an audio signal (even if I mute the registers).
I thought it was enough to set the following registers:
0x40 = 0xA0
0x60 = 0x33
0x61 = 0x20
0x62 = 0x00
0x78 = 0x0D
I'm also attaching the routing I wanted to do:
