This thread has been locked.

If you have a related question, please click the "Ask a related question" button in the top right corner. The newly created question will be automatically linked to this question.

TLV320AIC29 Digital loopback

Other Parts Discussed in Thread: TLV320AIC29, TLV320AIC3204

Hi, Team

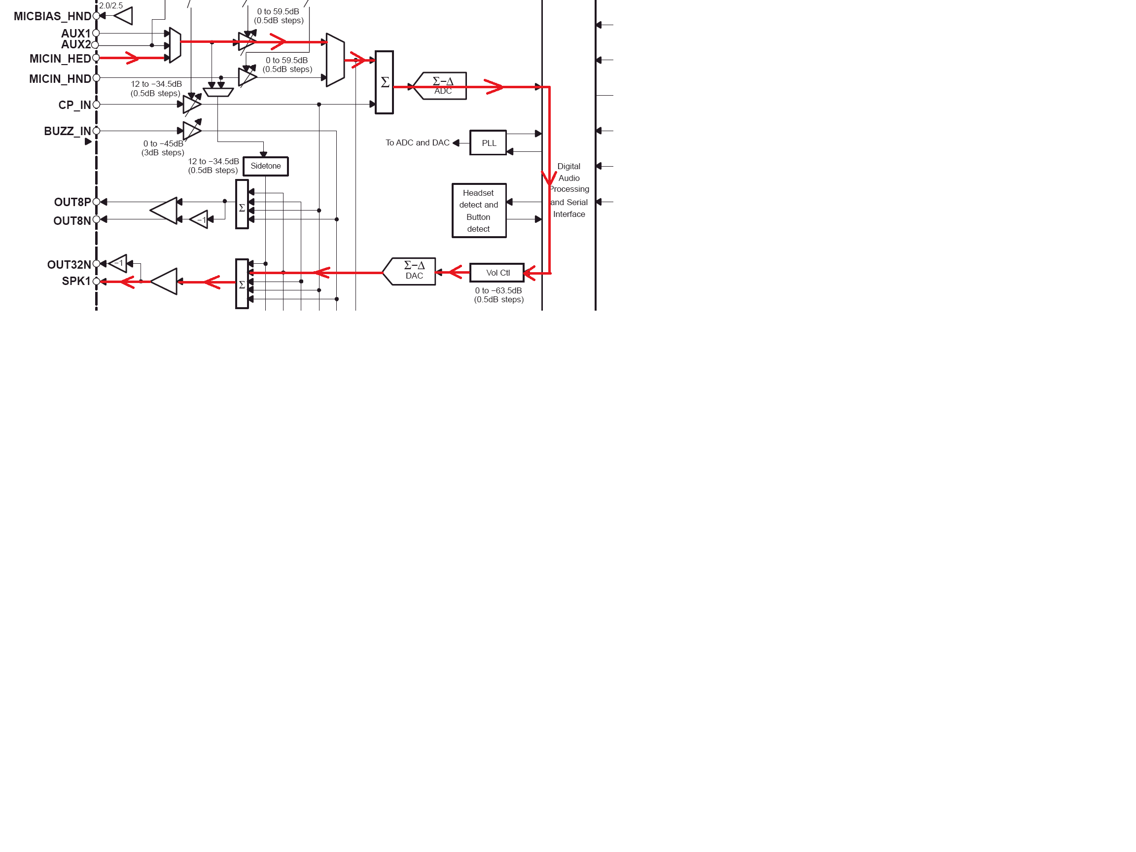
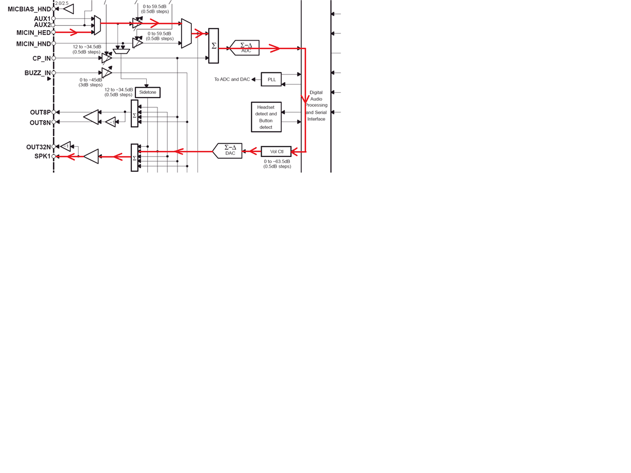
My customer wants to check if TLV320AIC29 can support Digital loopback. I don't see any details in datasheet to work in this mode.

The reason is they want to adjust the voice from Mic by the PGA up to 59.5dB, and drive speakers loudly, it works as a voice amplifier.

If this device doesn't support, what's the suggestion of CODEC to support this mode?