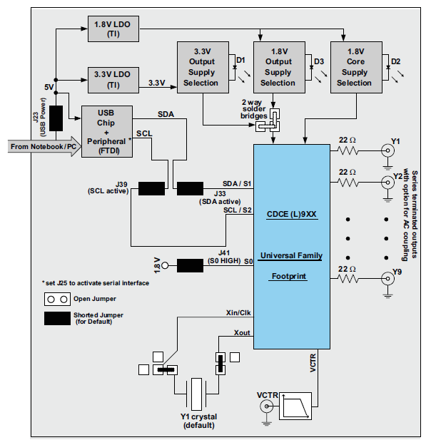
The datasheet as well as the general overview prominently lists that the CDCx949 has separate output supply pins (which is similar for most of the other CDCE clock synthesizers, like the CDCx937 or CDCx925), but I couldn't find any information which output supply pin (the CDCx949 has three of them) is correlated with each output (there are nine on the CDCx949).
Any information how they are related and/or where this information can be found would be truly appreciated.
Thanks in advance,
Herbert
