This thread has been locked.

If you have a related question, please click the "Ask a related question" button in the top right corner. The newly created question will be automatically linked to this question.

ADS1261EVM: Regarding the power design of the ADS1261EVM

Part Number: ADS1261EVM
Other Parts Discussed in Thread: ADS1261

Tool/software:

Hi team, 

I have three questions regarding the ADS1261 EVM.

1.The LM27762DSSR (U5) is installed on the EVM, right?

2.It appears that the circuit for supplying ±2.5V externally to the ADS1261 on the EVM is not implemented. Is it possible to input ±2.5V externally?

3.I think the power supplies on the evaluation board are generated from the 5V USB. Is it possible to supply 5V externally, such as from a switching power supply?

Best regards,

Kyohei

  • Hi Kyohei,

    Answers to your questions:

    The LM27762DSSR (U5) is installed on the EVM, right?

    Correct

    It appears that the circuit for supplying ±2.5V externally to the ADS1261 on the EVM is not implemented. Is it possible to input ±2.5V externally?

    Yes you can apply the +/-2.5V externally. You would need to remove the crossed out components below, then apply the signals to the circled test points. Note that these test points are not installed by default on the board, but they are labeled on the EVM

    You also need to ensure that S1 is set to the correct position (to +/-2.5V)

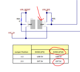
    I think the power supplies on the evaluation board are generated from the 5V USB. Is it possible to supply 5V externally, such as from a switching power supply?

    Yes, see the portion of the schematic below. You would install jumper JP4 (it says JP10 in the table), and then apply the voltage to the EXT_5V net. Or, you could just apply the voltage directly to pin 2 (+5V net) on JP4. You also need to remove resistor R95

    -Bryan