Hi,
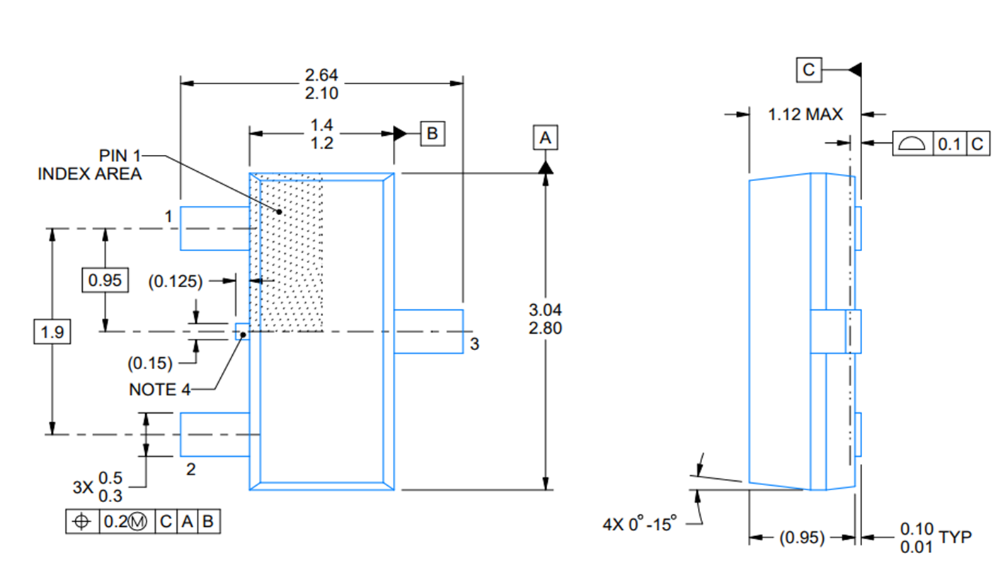
We refer to the datasheet (SLVSFW5C – APRIL 2022 – REVISED NOVEMBER 2022 Pages 21, 22).
Is the dimensional information on this data sheet up to date? I would like the latest dimensional data information.

When I compared the dimensions with the Ultra Librarian library data, I noticed some discrepancies in the information.
Please provide the latest datasheet information (Version) for the ESD2CANxx24-Q1 Automotive 24-V, 2-Channel ESD Protection Diode Land Pattern.
Best Regards,