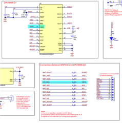
Hello expert,
1. from the datasheet this PIN can be supplied by 3.3V or 5V, do you mean for SPI physical layer,both 3.3V and 5V are OK?
2.My project this PIN is supplied by 5V,could you provide the typical and maximum supply current needed from this PIN? Consider the TJ -40~150C, and different function mode and SPI clock 1M.






