Hi
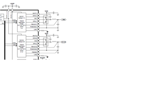
Is there an IMON solution for Apollo lake PMIC ic TPS65094 solution? Discrete solution will have an Imon in the VCCGI part. The CPU will be notified of the current current and let the CPU do some frequency and voltage reduction actions. Due to the current situation of using TPS65094 PMIC, there is some overheating phenomenon, But when using Intel tool TAT softwave, it was found that the performance was only 50% and could not reach the higher performance. In the past, on Discrete solution, we would adjust the value of Imon so that the performance can be higher or lower. Is there a way to adjust the current output current value read by TPS65094? (vnn and vccgi these two sets of Power Rail)
				
                          