This thread has been locked.

If you have a related question, please click the "Ask a related question" button in the top right corner. The newly created question will be automatically linked to this question.

LM5141: Issues while using LM5141 to drive mosfet gates directly

Part Number: LM5141
Other Parts Discussed in Thread: LM5146

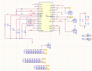
I am working on a project using the LM5141 as the controller which feeds HO/HOL and LO/LOL to two gate drivers that drive two mosfets each. At first I was thinking that I need both gate drivers for isolation but after looking at the design further, I think I can remove the second gate driver and have the two bottom mosfets driven directly by the LM5141 but keep the first gate driver to drive the top two mosfets. I have tried modeling this in Cadence but I am having lots of ringing on HO/HOL.

Below is the schematic of the original design that has been working fine. I would like to remove U6 and drive Q3 and Q4 from signal A and B from U9, respectively.

The output of signals A and B on the working model with two gate drivers look clean with no ringing as seen below

But when I try to drive Q3 and Q4 directly from the LM5141 I get alot of ringing in signal A. Can anyone offer suggestions?

  • Hello,

    The LM5141 has high-current integrated gate drivers (3.25A source, 4.25A sink), so external drivers are not generally required. If higher input voltage or gate drive amplitude is required, take a look at the LM5146, which has a 7.5V drive amplitude. Note that tying SW to GND removes adaptive deadtime and zero-cross detection for diode emulation mode operation.

    It seems this is a non-conventional topology. My recommendation is to try modeling it in PSPICE for TI.

    Regards,

    Tim