Dear Team,
Please look at the difference between the value read by LM25066 and the actual value, the difference between the two is about 1A.
value read by LM25066;

Actual value:

By reading the register value
root@sonic:/home/admin# i2cget -y -f 4 0x41 0xd1 w
0x005c
The calculation results of the calculation formula provided in the manual are:

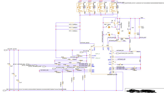
The calculated value should be no problem. It is recommended to check whether the sampling resistance is accurate and whether there is such a difference in the power supply design.
Many Thanks,
Jimmy
