Other Parts Discussed in Thread: HD3SS460
Hi,
I have an application where I am using the TPS65981 with a DisplayPort sink application where in when the sink device is connected to a host computer supporting DP, the device should mirror the screen.
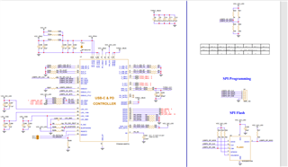
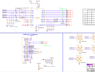
The below are the schematics of the PD controller & the high speed MUX controller. When connected using USB C to the DP supported laptop, the HPD signal is driven high (verified, 3.3V). The pins AMSEL, POL & EN are also driven high indicating a 4 lane DP mode (flipped / non-flipped). However, there is no display data coming. Usually when a DP sink device is connected to the host PC, the host PCs screen blinks once. However, this is not happening.
The firmware in the SPI flash is also verified and is correct. Could this be an issue of power negotiation between the sink and source devices?
Any help would be appreciated!
Thanks.






