Hi,
I want to use bq34z100 as suggested by TI expert . I want to monitor the battery charging/discharging current.
I want to make the board more flexible so if i change the battery then i can manipulate things in software instead of hardware.
Right now i am using a 7S8P battery with datasheet attached but i might use bigger battery in the future. I want to monitor the battery voltages in stackup mode instead of single cell.
I have following question.
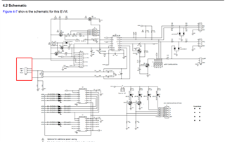
- I am following reference design of EVM board but its specifications aren't desirable especially current rating. What i should consider to use it for higher current rate like 20A discharge current?

- The battery that i have contained 4 wires. one pair for charging the battery and one pair for discharging as battery contained self BMS. How i should make connection with battery terminal in EVM?

- Can i use aardvark instead of EV2300 to communicate with Studio?
- 4578.CNNTNY 24v20ah 7S8P specs 中英文规格书.pdf

