This thread has been locked.

If you have a related question, please click the "Ask a related question" button in the top right corner. The newly created question will be automatically linked to this question.

R1243K001A-TR is a buck DC/DC converter: Pin-to-pin suggestions for competitor

Part Number: REF35
Other Parts Discussed in Thread: TPS54336A, TPS54335A, REF3312

Tool/software:

Hi Team,

May I have your help to provide pin-to-pin suggestions for competitor replacement?

Thanks.

ISL60002DIH311Z-TK

R1243K001A-TR

  • Hello,

    1. ISL60002DIH311Z-TK is a 1.2V voltage reference. The best option is REF35120QDBVR (REF35), which can be pin to pin as shown below:

    2. R1243K001A-TR is a buck DC/DC converter. I will allow the buck converter experts comment on the best suggestion for this device.

    Thanks,

    Jackson

  • Hi Peter,

    For R1243K001A-TR p2p solution, I may suggest TPS54335A or TPS54336A. Below is their difference. But please note that there are some differences between these two products and the one you provided. One is that the input voltage range is different. The maximum voltage of our product is 28V, but the output current is 3A. In addition, their pins are also somewhat different, so co-layout design is required.

    Thanks.

    Aurora

  • Hi Sir,

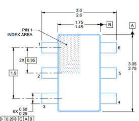
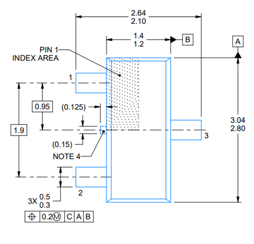
    For ISL60002DIH311Z-TK v.s. REF35120QDBVR, I found the REF35120 body size is bigger than the competitor's!!!

    Is it really a p2p replacement?

    REF35120:                                                           ISL60002DIH311Z-TK:    

        

  • Hello Peter,

    It will depend on the type of footprint that is on the board. As I showed above, you can create a dual footprint for both devices. If creating a dual footprint is not possible, you could also consider REF3312 (REF3312AIDBZR) which has closer package dimensions:

    However, in terms of specification, REF35 is the superior device to both REF3312 and ISL60002DIH311Z-TK.

    If a dual footprint is acceptable, let me know and I can prepare an example.

    Thanks,

    Jackson