Tool/software:
Dear Tier,
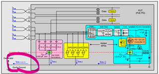
We are looking for a suitable PoE PD solution. Could you help us with some application-related questions?
1. Why is there a distinction between high-side and low-side Hotswap in PD products? What are the advantages and disadvantages?
2. Regarding the PoE handshake protocol issue, if both the external monitor adapter connected to the PD device and the PSE power adapter are grounded together Earth Ground, is there a risk of PSE-PD handshake failure? This consideration involves Hotswap switching between VSS and RTN or VDD and VBUS.

3. If the PD side does not have an enclosure to guide surge energy to the Earth Ground for dissipation, and most PD devices become isolated (islanded) without this path to ground, how will surge energy be suppressed?



