Tool/software:
Hi!
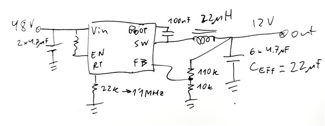
I'm getting this waveform at the output of a LMR38010S converter, from 48 to 12V. Anyone knows what is happening?
I followed the webbench design tips, I also checked with "classic" design equations and datasheet equations.
This kind of oscillation at the output doesn't change with:
- Increased current (from 50mA to 500mA)
- Changing output capacitance (nominal 22uF, try from 18 to 44uF, effective capacitance at 12V)
- Inserting compensation capacitors in the feedback loop (10pF, 47pF, 100pF)
Output, (100uS/div)

Switching node (5uS/div)

This is the simplified schematic:

Does anybody know what can be wrong?
Thank you!

