Other Parts Discussed in Thread: TPS65992DBH
Tool/software:


Tool/software:


Hi Rajat,
If I understand the issue correctly, you are programming the EEPROM using the Application Customization GUI tool and Aardvark, and seeing that the settings on the PD do not match your programmed settings afterwards?
Please help us clarify a few items:
Please check again with the binary attached here. After programming the binary, please read register 0x06 of the PD and check its contents. The new register value should be 0xFF01 0xFF02. If this is what is read back, then we know the new FW was updated. You can use Binary (tab at upper left) -> Flash from binary file, in the GUI to flash this to the EEPROM.
https://e2e.ti.com/cfs-file/__key/communityserver-discussions-components-files/196/TPS65992DBH_5F00_Default_5F00_FullFlash_5F00_Binary.bin
Best,
Alex
TPS65992DBH_HPC002_A02.pjt
Hello Alex,
Please find the answers to your questions
1.What version of the GUI are you using?
- GUI Build version : 6.5.19
2.Does the reported issue happen 100% of the time? Or is there a fail rate?
- Failed every time while Flashing from TPS65992 GUI
3.Can you please send the binary you are using to program the EEPROM?
- Please find the attached project file
The verification failed while programming TPS65992 using TI GUI 
Note - EEPROM was blank before programming and power reset was performed after programming 
Programming .bin to EEPROM using Flash Centre GUI from Aardvark

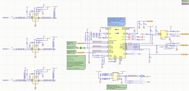
Also could you please review and verify my project file along with my schematic, which I have shared with Jon Walters and Soumya Alva? Let me know if any changes are needed.
Hi Rajat,
Since you were able to program the binary ok with Aardvark Flash Center, I don't suspect the issue is with the binary or the configuration itself. Rather, I suspect it could be the GUI. Let me test this on my side and verify it.
Are you able to share the schematic here, or send me a friend request on E2E and share it privately?
Best,
Alex
Hi Rajat,
Using the 6.5.19 GUI, it is not showing the option to flash the binary when Aardvark is selected. I think the GUI is preventing this on purpose. Can you verify you are actually flashing the binary to the EEPROM using the 6.5.19 GUI?
Steps you should follow below:
1. Click on the adapter tab to configure I2C settings.
2. Select Aardvark.
3. Sweep for I2C response to connect to the PD controller and EEPROM on the board.
4. Click on the binary tab. After selecting aardvark in step 2, the GUI no longer shows me the flashing option. So I suspect you are not actually able to flash the binary using the 6.5.19 GUI.

Is there a specific reason you need to program the EEPROM using the 6.5.19 GUI, as opposed to using the Aardvark flash center? Given the Aardvark flash center method is working fine, that should be a good workaround in this case.
Hello Alex,
There’s no specific reason to use the GUI for EEPROM programming—it’s not essential—but having it available would definitely help with debugging.
Regarding the programming setup, could you please share a general project file aligned with our schematic? That would be a great starting point for me to begin customizing. Currently, I’m working with a binary file extracted from a COM-HPC mini devkit. However, that setup includes features that differ from our carrier board, so a tailored base project would be much more helpful.
Hi Rajat,
Please fill out this spreadsheet so I know what configuration settings to use in the project file.
Hello Alex,
Please find the filled spreadsheet attached.GanSar_AppConfig_Generation_Template_answer.xlsx
Hi Rajat,
Please use this project file.
TPS65992DBH_Custom_AppConfig.pjt
I saw the sink path is not used, so I configured the pjt for source only, but still maintained dual role data.
Best,
Alex