Other Parts Discussed in Thread: UCC21550, UCC21551, UCC21231
Dear TI,
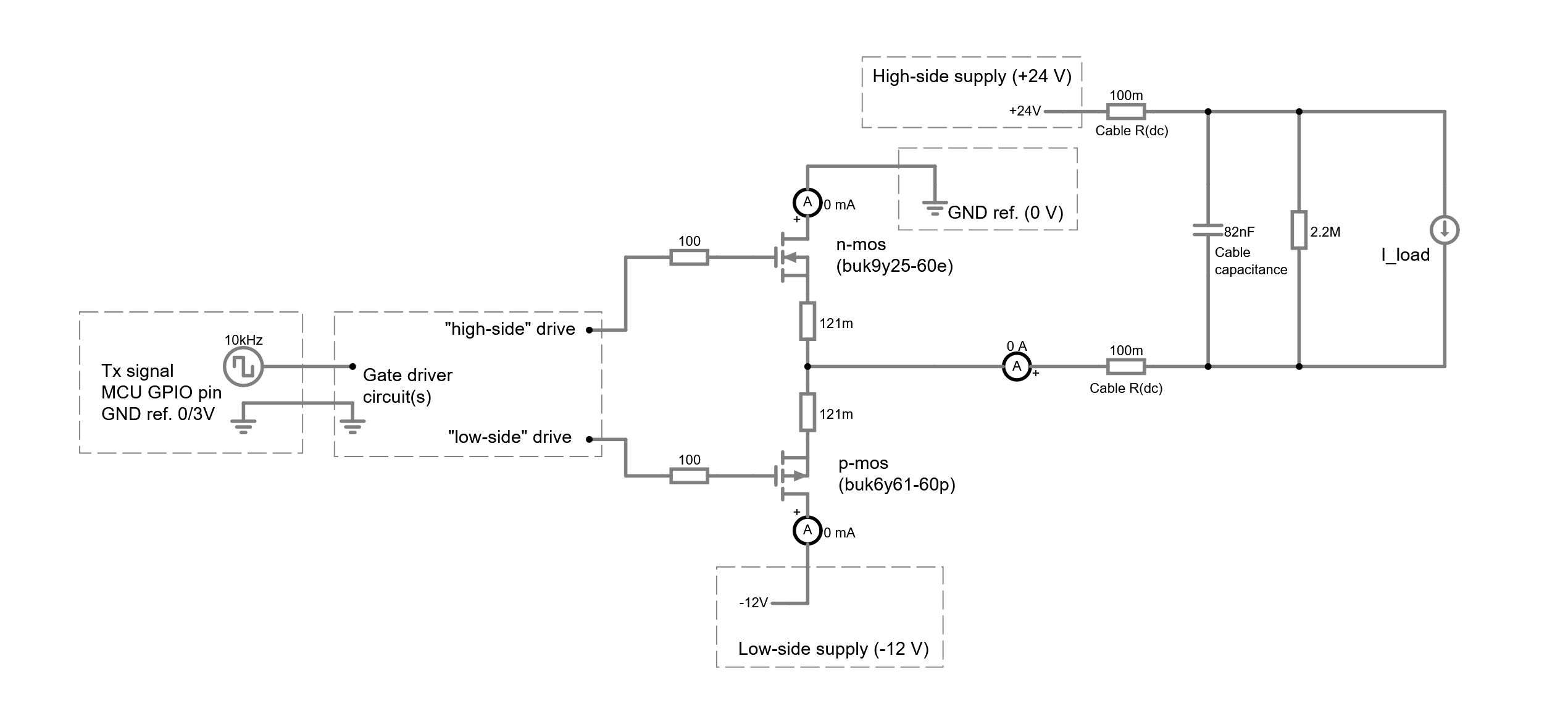
I would like to ask whether the LM5109A would be suitable for use in the following communication application.
The goal would be to steer the load current (I_load) either into ground (0 V) or low side supply (-12 V) based on a 0/3V digital signal coming from a microcontroller. This should then switch the lower side of the communication cable between -12 V and 0 V. The upper side of the cable stays fixed at +24 V potential.
The difficulty I'm facing is designing the drive circuit for the N-channel and P-channel MOSFET switches. The P-channel device has -12V reference, so (I think) it cannot be controlled directly via microcontroller output pin.
I would be grateful for any thoughts, advice or gate driver product recommendations. Thank you!

