Hello,
I’m currently facing an issue with the TPS16850.
Specifically, whenever I apply a load above about 100 mA to the output of the TPS16850, the device won’t start up properly.
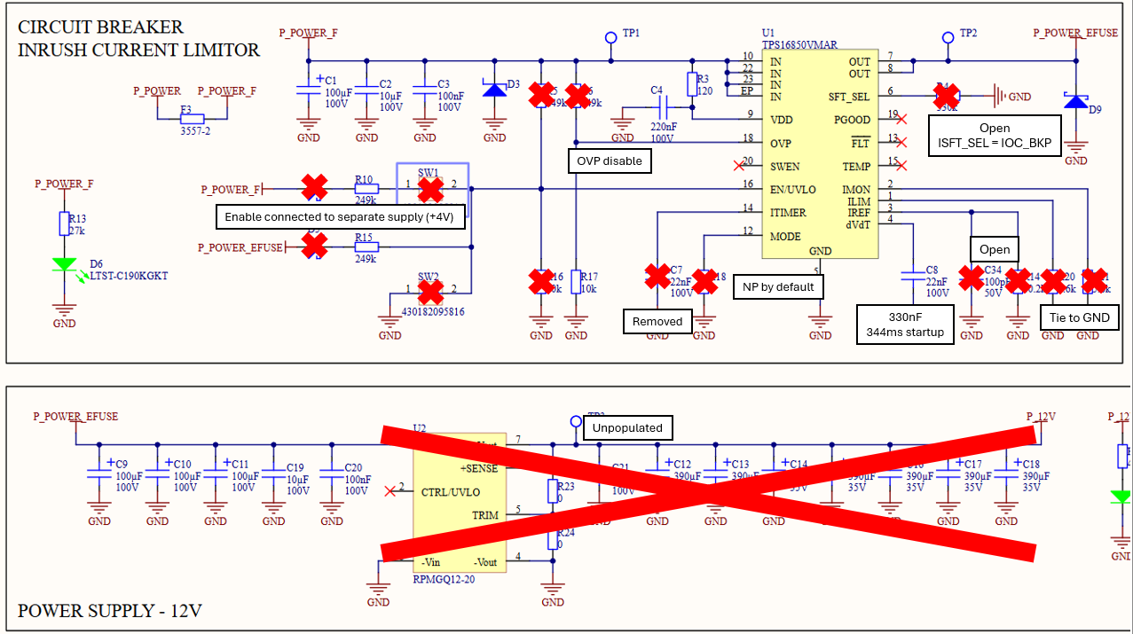
Too eliminate causes has much has possible I have follow the datasheet and disable OVP, UVP, overcurrent and fast-trip protection.

I’ve set the Enable pin separately with a 4 V supply, allowing me to control activation independently of the main input voltage. The input voltage itself is in the 30 V to 60 V range, and the normal operating current is between 2 A and 5 A in steady state.
I've tried different dv/dt cap values to see if there any difference and the result is always the same. The device won't start if a load is present at the initial startup. The load used is an SDL 1020X in CC mode between 100mA and 1A.
Test with the RPMGQ-12-20 mounted.

The initial problem come from the RPMGQ12-20 asking for current when the voltage is sufficient to him to startup but to make the debug easier and reproductible I use an electronic load.
I’m attaching the schematic and board layout to help clarify the setup. Hopefully, these details will make it easier to pinpoint what might be going on.


Test with :
PSU Setup :
- VIN 40V
- Current limit 8A
Electronic Load :
- Constant Current 0.5A

PSU Setup :
- VIN 40V
- Current limit 8A
Electronic Load :
- Constant Current 0.07A

PSU Setup :
- VIN 40V
- Current limit 8A
Electronic Load :
- No Load


Thanks a lot for your help!