Other Parts Discussed in Thread: BQ24735,
Hi, Sir,
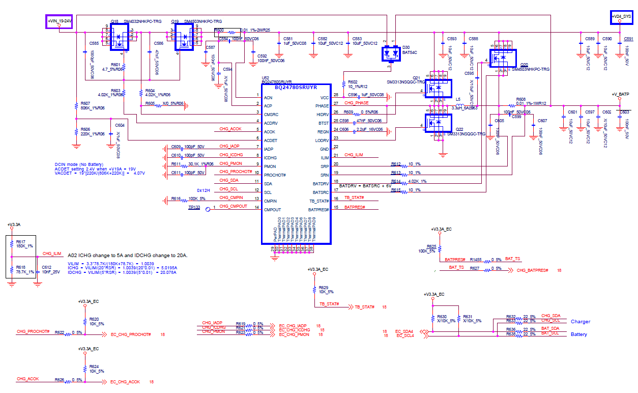
We are using the BQ24780SRUYR charge IC on our motherboard. Our application requires the use of a 24V adapter.
However, we noticed in the datasheet that the minimum VCC overvoltage rising threshold is listed as 24V.
Our customer pointed out that 24V adapters typically have a tolerance of +/- 5%, meaning the maximum input voltage can reach 25.2V. Indeed, during our testing with a 25.2V input, several boards experienced a shutdown issue (we confirmed this was not caused by insufficient wattage).
We have the following questions:
1. Given that the maximum VCC operating voltage is 24V, but the VCC overvoltage rising threshold minimum is also 24V, is it feasible to use a 24V adapter with this IC?
2. If a 24V adapter is supported, what circuit modifications can we make to prevent triggering the VCC overvoltage rising threshold (min 24V)?
schematic is below:

