Part Number: LM317
Hi


This thread has been locked.
If you have a related question, please click the "Ask a related question" button in the top right corner. The newly created question will be automatically linked to this question.
Part Number: LM317
Hi


Hey Roman- actually both of them are correct.
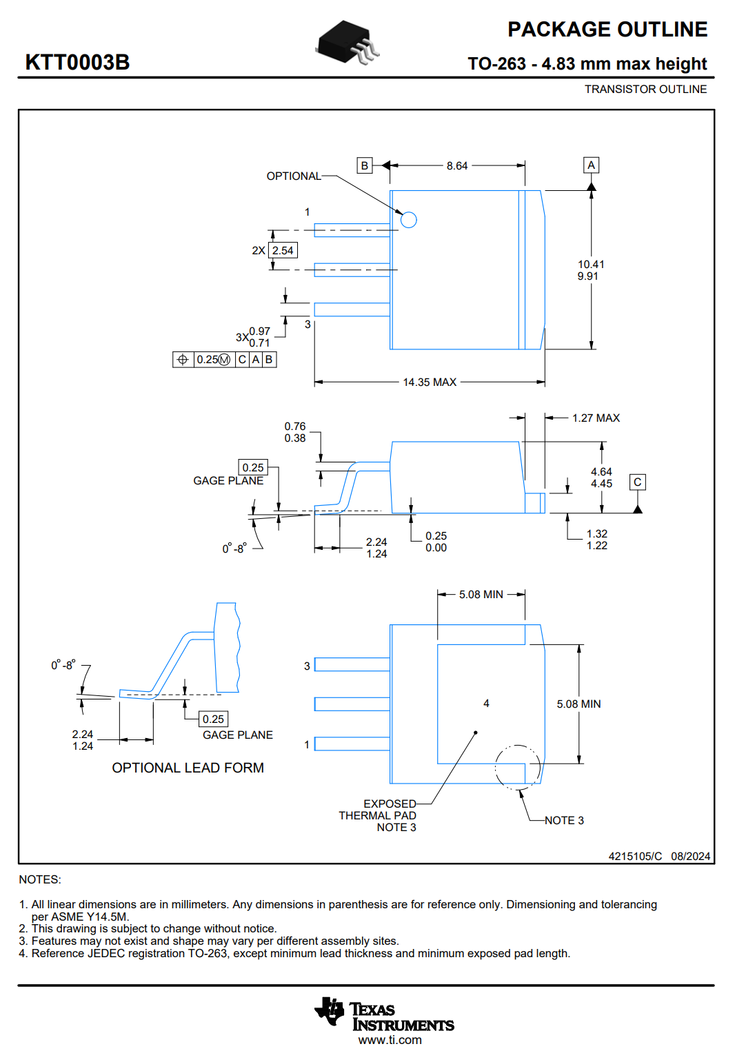
There are two different package drawings because there was a silicon design refresh on existing LM317KTTR as SFAB 150mm process is discontinued. The legacy chip (150mm SFAB) and new chip (200mm FFAB) are built using different leadframe so the package drawings are different. We haven't started shipping the new chip yet so you should refer to KTT R-PSFM-G3 package drawing for the current material. The new chip will need to be refered to KTT0003B.
Let me know if this helps or if you have any further questions.
Thanks,
Su