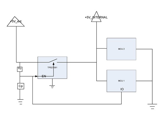
I have an external power source which is connected to TPS27081. When the power is applied to the board it should enable TPS27081A. The MCU1 IO will turn the power off by pulling EN down. Once the En is pull down it will be tri-stated and the power will come with RC constant of the +5V_Ext. Is the right approach or do I have to make some adjustment to this ? do u see any issues with this? Please let me know.