Hello , I need help please for TPS65053 STEP DOWN CONVERTER , the problem that when i power supply the compenent the component heat a lot.
i tried de enable only the first converter but it hot a lot too.
Thank you
This thread has been locked.
If you have a related question, please click the "Ask a related question" button in the top right corner. The newly created question will be automatically linked to this question.
Hello , I need help please for TPS65053 STEP DOWN CONVERTER , the problem that when i power supply the compenent the component heat a lot.
i tried de enable only the first converter but it hot a lot too.
Thank you
I split this thread as this is a new question.
Can you post a schematic? What are your circuit connections--where is Vin connected, where are you measuring Vout, is there a load?
Chris Glaser said:I split this thread as this is a new question.
Ok Thank you.
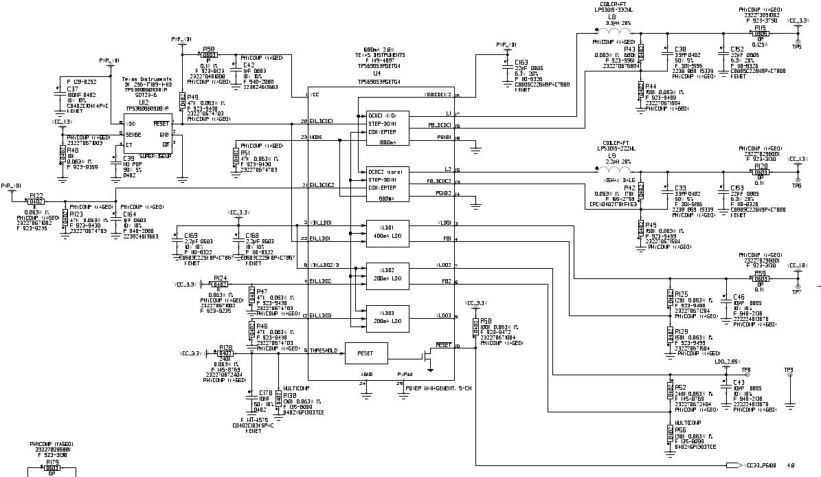
Here is the schematic.
Chris Glaser said:What are your circuit connections--where is Vin connected, where are you measuring Vout, is there a load?
i tested the circuit with no load charge in first, i mesured the output of DCDC1 converter
Vin is connected to 4.73 V
Thank you.
Thank you.
What is your Vin? What is the circuit doing wrong? How much input current is it drawing?
Can you verify that the voltage on EN_33VD is stable and not changing?
Chris Glaser said:What is your Vin? What is the circuit doing wrong? How much input current is it drawing?
The vin is 4.73 V , the circuit hot a lot , the circuit need 150 mA
Chris Glaser said:Can you verify that the voltage on EN_33VD is stable and not changing?
yes EN_33VD is stableat the 4.69 V.
Let's try isolating the different parts of the IC. First, Ohm out the input connection (PWR_VIN). It should be high impedance.
Then, apply Vin and pull all the EN pins low and see what the input current is. Then, try EN'ing each output, one at a time, and see when the input current kicks back up.
Chris Glaser said:Let's try isolating the different parts of the IC. First, Ohm out the input connection (PWR_VIN). It should be high impedance.
Yes i have a high impedance
Chris Glaser said:Then, apply Vin and pull all the EN pins low and see what the input current is.
the input current is very low ~0 .
Chris Glaser said:Then, try EN'ing each output, one at a time, and see when the input current kicks back up
I enabled only the first converter and the compenent hot a lot and i have 3.3 v in the output , the current in input is 300 mA.
So, we have found that the problem is isolated to the first converter. Could you send a scope capture of VINDCDC1/2, L1, and the 3.3V output, after power is applied?
Do you have anything at all attached to that output?
Thank you Chris for your help ,
Finally i found the solution, I replaced the inductance of 3.3uH with a 4.4 uH beacuse in the datasheet they said that it should put an inductance of 3.3 minimum for a higher output voltage to 2.8 v and now I have 3.3V at output and the componenet not heat :)
I am glad you were able to get it working with the new inductor.
It would be very good to run a bode plot on that rail in forced PWM mode at around 100 Ohm load. Since you are using different component values than the datasheet recommends--4.4uH inductor, 22uF cap, and 33 pF cap--stability is a concern.
For this latest issue, first check your input current limit on your input supply. Then, a scope capture of Vin, SW node, and Vout would be the next thing to loook at.