This thread has been locked.

If you have a related question, please click the "Ask a related question" button in the top right corner. The newly created question will be automatically linked to this question.

TPS61200: TPS61200/01 - Separate “VIN” and " regulation voltage(VREG)"

Guru 21045 points
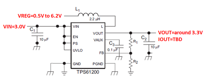
Part Number: TPS61200
Other Parts Discussed in Thread: TPS61093

Hi Team,

 

Our customer would like to use the following conditions(separate “VIN” and " regulation voltage(VREG)").

Because, Maximum VREG is 6.2V so this voltage is higher than the recommended operating conditions of VIN.

Could you please let us know if you have any concern?

 

[Conditions]

-VIN=3.0V

-VREG=0.5V to 6.2V

-IOUT= TBD

-VOUT=around 3.3V


 

Regards,

Kanemaru