Dear Supprot team
thsi is Delta engineer, Yi-Sheng, we are facing the burnt out issue w/ LM5051 in our factory side
the failure rate is 6/100 = 6%
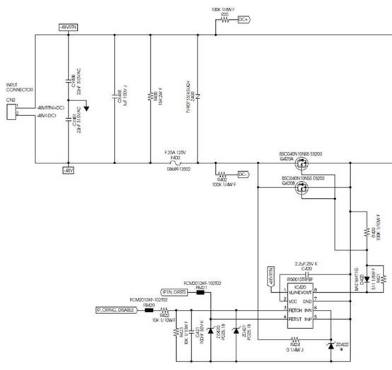
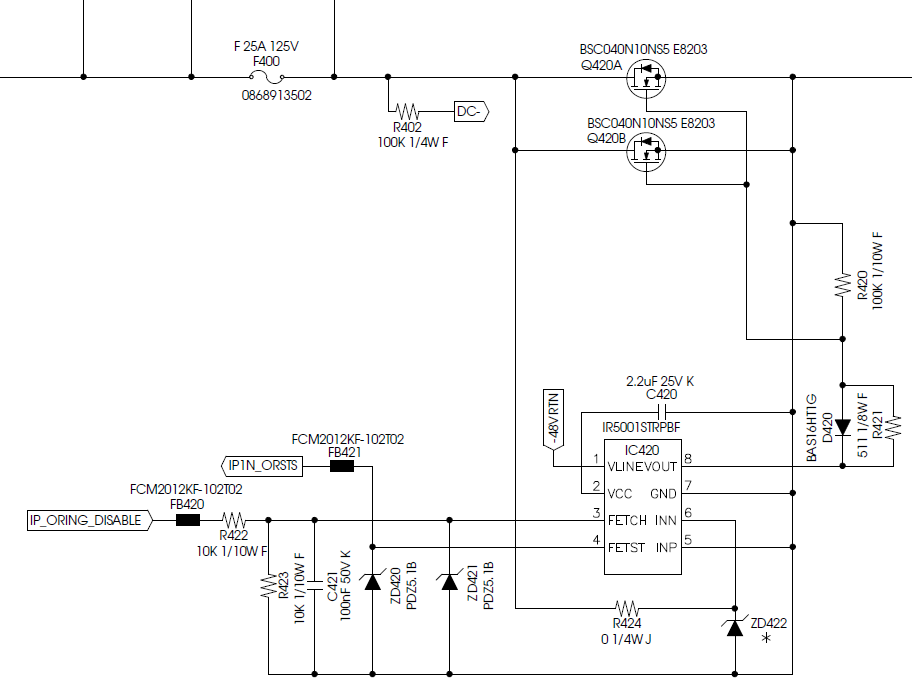
the applicaitno circuit is as following
the failure symptom is VCC short to GND
VIN 48-72V
Vout 12V/500W
may i have support team's kindly help to see if any value setting wrong or any reason to cause IC burnt out?

