This thread has been locked.

If you have a related question, please click the "Ask a related question" button in the top right corner. The newly created question will be automatically linked to this question.

TPS61280A: Leakage Issue

Part Number: TPS61280A


Hi Expert,

We found the product got the leakage issue around 13mA. The processor FAE told us that is known issue. Do you have the document to explain it? How to fix the issue in current PCB? Does the D version will fix it? Thanks!

  • Hi Jerry,

    Thanks for using TI boost converter products!

    May I know the detailed background information of your 13 mA leakage current issue. When will it happen?

  • Hi Zack,

    The processor vendor said it's known issue and also show the TI slide. Can we discuss it by email? Thanks!

  • Hi Jerry,

    No problem. You can contact FAE to get my email address.

  • Hi Zack

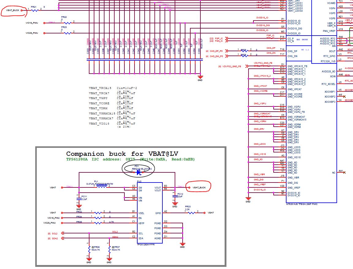
    1.The SOC platform is MediaTek MT8176 ( PMU is MT6391A), and TPS61280A is the battery frond-end converter. There is a Schottky Diodes between Vin and Vout of TPS61280A for MT6391A.

    2. When system is OFF and the user short pressed power button, the TPS61280A is ON/OFF in a very short period. After the procedure, the TPS61280A  will have 13mA leakage current.

  • Hi Amos,

    are you from MTK or the end customer using this device? the behavior is related to the internal behavior of this device and the external diode, and also the EN/nBYP logic. the device could enter shutdown mode during the period that EN nBYP decreases. the device will exit shutdown without external diode. however, with the diode, the device can't exit the shutdown and consume 13mA.

    we had discussed with MTK team the possible solution through phone and email. so I will closed the post here.