This thread has been locked.

If you have a related question, please click the "Ask a related question" button in the top right corner. The newly created question will be automatically linked to this question.

PGA411-Q1: No ORD[11:0] data

Part Number: PGA411-Q1


Hello, everyone!

I'm using a resolver to digital converter, PGA411-Q1, to get angle information of the motor rotator.
I have set PGA411-Q1's pin the following.

OMODE: High
BMODE0: High
VA0: LOW
VA1: HIGH

However, no ORD[11:0] data has detected.
I also switched INHB 0 and 1, but nothing has changed.
How can I get ORD[11:0] data from the device?

  • Hi,

    Are you using PGA411 EVM to test your setup? Or, did you build a board with PGA411 to test the motor?

    Can you check if PGA411 is reporting a fault? Measure the FAULT pin voltage, if it is HIGH, then it is in a safe state and the angle will not get updated. 

    Regards

    Sharath.

  • Hello, Sharath.
    I built a board with PGA411 to test the motor.
    I measured the FAULT pin voltage, and it is LOW.
    No ORD[11:0] data has still been detected.
    I think this is not a fault problem.

  • Hi Jung,

    Do you measure a clock signal on ORDCLK? Do you see any signal on OUT A OUT B? 

    Looks like you have configured the required pins. It is not obvious to me what could cause this. Please read DEV_STAT7 register to know which state the device is in. It should be in Normal state.

    Regards

    Sharath.

  • Hi Vallamkonda,

    ORDCLK was measured as LOW, and signal on OUT A OUT B is detected well.
    DEV_STAT7 register has been set 0x0000. Isn't it in Normal state?

    Other registers have been set as follows.

    [OVUV1_Adr_Loca] = {.def_val = 0xFB40},
    [OVUV2_Adr_Loca] = {.def_val = 0x00ED},
    [OVUV3_Adr_Loca] = {.def_val = 0xFCFF},
    [OVUV4_Adr_Loca] = {.def_val = 0x07FA},
    [OVUV5_Adr_Loca] = {.def_val = 0x1C00},
    [OVUV6_Adr_Loca] = {.def_val = 0x038F},
    [TLOOP_CFG_Adr_Loca] = {.def_val = 0x0514},
    [AFE_CFG_Adr_Loca] = {.def_val = 0x0005},
    [PHASE_CFG_Adr_Loca] = {.def_val = 0x1800},
    [CONFIG1_Adr_Loca] = {.def_val = 0x0002},
    [CONTROL1_Adr_Loca] = {.def_val = 0x0000},
    [CONTROL2_Adr_Loca] = {.def_val = 0x0000},
    [CONTROL3_Adr_Loca] = {.def_val = 0x0003}

    The other registers have been set 0x0000.

    Regards

    Jung.

  • Hi Jung,

    DEV_STAT7=0 means the device is in Diag state. Almost all blocks are turned OFF in this state. 
    please set DIAGEXIT=1. The device transitions into Normal mode. 


    Regards

    Sharath.

  • Hi Sharath,

    According to your advice, I have set (DEV_CONTROL1, DEV_STAT7) as the following combinations.
    ( 0x0001, 0 ), ( 0, 0x0040 ), ( 0x0001, 0x0040 )
    DEV_CONTROL1 = {0x0001} : DIAGEXIT = 1
    DEV_STAT7 = {0x0040} : DEVSTATE = 1(Normal State)
    However, no ORD[11:0] data has still been detected.

    Regards

    Jung.


  • Hi,

    What is the status of NRESET and INHB? Both should be high. Please monitor FAULT pin to see if it transitioned into Fault mode. What do you read ORD pins? Is it 0V or VIO voltage?

    Sharath

  • Hi Sharath,

    The status of NRESET and INHB is HIGH.
    FAULT pin is LOW, and there's no transition.
    ORD pins are 0V, and there's no change either.

    Regards

    Jung.  

  • Hi Jung,

    Everything looks normal to me. It needs to be debugged further.

    Can you send me the schematic for a review? Please capture OSIN and OCOS signals and send the screenshot.

    REgards

    Sharath.

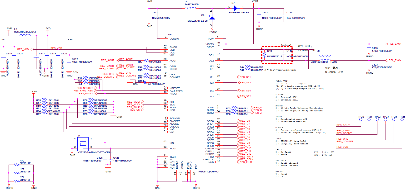
  • Hi Sharath,

    I send you the schematic and OSIN signal.
    CH1 is excitation voltage, CH2 is voltage between IZ 2 and IZ 4, and CH3 is OSIN output voltage.

    Regards

    Jung.


  • Hi,

    Everything looks normal to me. It is enough if the device is in Normal mode and OMODE=1 for the signals to appear on ORD pins. Is the angle reading from SPI working fine? Is this observed on multiple boards?

    Regards

    Sharath.

  • Hi Sharath,

    I checked ORDANGLE value on DEV_STAT5 Register.
    When the rotator is rotated, the value is also changed, and reached almost 4095.
    I have the same two boards, and the same problem occurs.

    Regards

    Jung.


  • Hi Jung,

    How are you are reading 0V on the ORD pins? They are Hi-Z ed when there is no output on those pins? Is there anything wrong with board?

     Can you try setting VA0=VA1=0? This should make the ORD pins Hi-Z ed. If this is not happening, then the ORD pins pulled low on the board.

    Regards

    Sharath.

  • Hi Sharath ,

    I measured the ORD pins as 0V through the Teledyne LeCroy Oscilloscope.
    When I set VA0=VA1=0, ORDs are still LOW. It doesn't make ORDs high.
    Then, I restored VA0 VA1 to its original state(0 1), and weak pulled up ORD pins through MCU.
    As a result, ORD[11:0] data value was fixed at 1.
    If any ORD output is LOW, the value will be measured as 0, because I weak pulled up.
    I think there's no ORD signal.

    Regards

    Jung


  • Hi Jung,

    Everything looks normal to me from the PGA411 setup side. I am not sure why it is being pulled low. I suspect something is wrong from the board side. Can you order an EVM and test to make sure you are matching with the EVM result?

    Regards

    Sharath