Hello,
We are having issues with getting the CC1310 to interface with the Quectel SC20 module. The SC20 uses 1.8V logic level.
Quectel recommends using a voltage translator:

The initial design, however, used transistors to perform the translation:

We know Q1 circuitry works but Q2 does not. Even fixing that design so that it's flipped doesn't work.
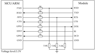
Quectel also has this design in their knowledge base:

Using a voltage divider for the CC1310 RX to SC20 TX makes sense to me. In fact when I hook up a Launchpad to the SC20 UART with just a voltage divider, it seems to work just fine.
But going the other way with just a 1K resistor doesn't seem like it will work for the CC1310 when Vdds/Vdds2/Vdds2 is 3.3V.
Perhaps changing Vdds2 to 1.8V would be the way to go?
Here is more info on the SC20 UART:

From a TI perspective, is there a best design for this situation?
Thanks,
Ryan