Hi,
When the loopback is enabled, how the input data is routed?
Could you show it on the block diagram?
Best Regards,
Kuramochi
This thread has been locked.
If you have a related question, please click the "Ask a related question" button in the top right corner. The newly created question will be automatically linked to this question.
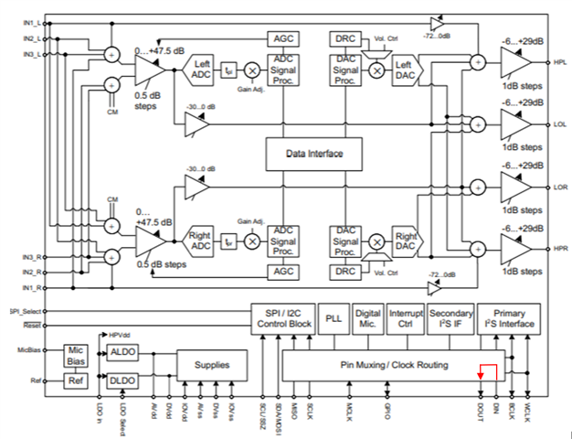
Hi,
When the loopback is enabled, how the input data is routed?
Could you show it on the block diagram?
Best Regards,
Kuramochi
Hi Kuramochi-san,
This loopback just routed DIN to DOUT. I have pasted an image for reference below:
Regards,
Aaron Estrada