This thread has been locked.

If you have a related question, please click the "Ask a related question" button in the top right corner. The newly created question will be automatically linked to this question.

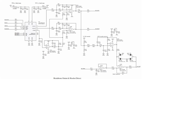
PCM1748: schematic check

Part Number: PCM1748


Tool/software:

Hi 

Could you help check the below PCM1748 schematic and any need to adjust

Also, is there an EVM schematic for this?

The load is KOSS SB40 (120ohm/ 96dB SPL/1mW, THD<0.2%) as shown below

Thank you

  • Hello,

    I reviewed the schematics and did not see any issue. Unfurtunetly we do not have any EVM or users guide for this part.

    Kind regards,

    Arash

  • Hi Arash

    Thanks for your confirmation reply.

    I have the following two questions about this circuit.

    1. According to the PCM1748 specification, the C11 (Vcom) 10uF capacitor must be made of electrolytic capacitor material. Does it need to be modified?

    2. Are the directions of the two 220uF electrolytic capacitors for isolating DC voltage in the figure below correct?

  • Hello, it is merely a electrolytic capacitor is recommended but I don't think all users always go by  recommendation.  

    The polarity of the cap is correct.

    Regards,

    Arash

  • Hi Arash

    Could you help to check the PC1748 mute function by external control circuits. We would like to have the PCM1748 hardware mute while AC on or DC on. That may prevent the POP sound issue on headset when AC on, thanks.

     

    Currently, PCM1748 PIN11/12 are NC now.

    The pins can be used to operate external mute circuits.

    And the PINs(PIN12:zeroL/ PIN11:zeroR) function is output only, how to do the external mute circuits for PCM1748 application circuits.

  • Hi,

    Arash is out of office and can update this thread monday.

  • Hi,

    Thanks for waiting as I was out of office. The PIN12:zeroL/ PIN11:zeroR are output pins so they can be used as flag signals that can be connected to the circuit that is connected to the output of the DAC. For example, the output of the DAC is going to an amplifier stage ( for adjusting gain or low pass filtering or ...) So this signal can be connected to the MUTE pin of the amplifier to mute it once  a zero signal is detected on any or both of these pins.

    This device has internal soft mute that is controlled by registers , so may be can check the possibility of using  the ZERO flag in the system to trigger a request the soft mute  activation.  

    So, the bottom line is that  pin 11 and 12  are output pin and can not be used as inputs to accept a signal.

    Kind Regards,

    Arash