This thread has been locked.

If you have a related question, please click the "Ask a related question" button in the top right corner. The newly created question will be automatically linked to this question.

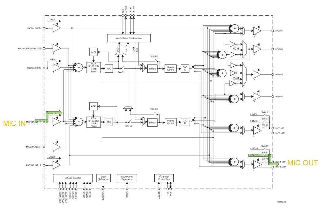
TLV320AIC3105: bypass mode for LINE1 channel

Part Number: TLV320AIC3105

Tool/software:

Hi Sir,

May I know if the LINE1 channel supports the bypass mode?

My customer would like to use the bypass function to pass the MIC signals shown in the figure below. Is it possible to do it? Need to provide any input clocks or to adjust registers?