Tool/software:
Hi
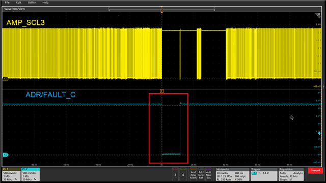
For TAS5822M, we found that when configuring TAS5822M, the FAULT pin would be pulled down for a while.A similar phenomenon also occurs when configuring the TAS5822M EVM.
Because it is necessary to detect the FAULT pin and perform related actions,our software wants to know why the FAULT pin is pulled down for a while.Regarding this phenomenon, does TI have any suggestions regarding software programs?In addition, apart from feedback errors, are there any other situations that could cause similar pull down?

EVM:


Best regards
ZC