This thread has been locked.

If you have a related question, please click the "Ask a related question" button in the top right corner. The newly created question will be automatically linked to this question.

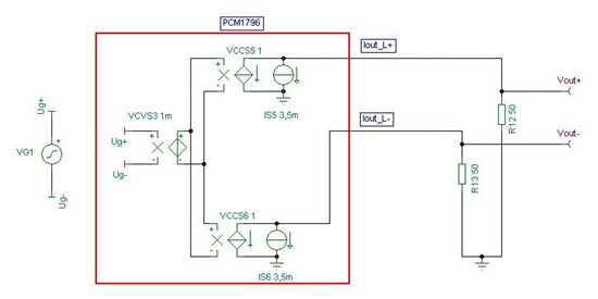
PCM1796 with passive termination?

Other Parts Discussed in Thread: PCM1796, PCM1794

Hi,

Can somebody help me? I would like to use the PCM1796 with passive termination.  I need 0,4Vpp differential output voltage. I looked for but I didn't find any details about the current segment DAC of PCM1796.

The output of the DAC between is between -1,5m..-5,5mA I thought it is a current sink DAC. But in the recommended Application Circuit (datasheet page34) U1 output voltage is -1,23V...-4,51V to the ground that means for me the converter is an current source DAC. What is the "truth" or what did I missed?

 Is the passive termination possible like on the picture or connect to VCC?