This thread has been locked.

If you have a related question, please click the "Ask a related question" button in the top right corner. The newly created question will be automatically linked to this question.

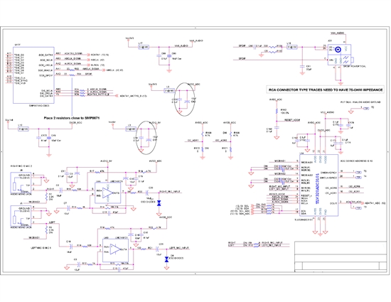
TLV320ADC3101-Q1 no output

Other Parts Discussed in Thread: TLV320ADC3101-Q1

We have a mixer design that use tlv320adc3101-q1 chip.  The microphones are connected to a pream chip and then the pream is connected to the ADC.  One for a while, we could not hear any microphone input.  We measured and found out that the signals are ok right after the pream (pream->ADC).  Somehow, there are no output from the ADC.  Please help!  Thank you very much.