This thread has been locked.

If you have a related question, please click the "Ask a related question" button in the top right corner. The newly created question will be automatically linked to this question.

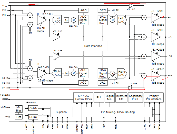
How to Check the Analyse the settings on AIC3204



we have filters,amplifiers etc in AIC3204 but if i want to analyse the characteristics with respect to input how  could i by pass the ADC  and give it to analog out and check how they are working can any one please help

  • Hi DARAM:

               Is this process flow which you want to use?

  • The Route you have shown above will just bypass the Filters and other stuff

    the main reason is using TI Bi-quad Filter coefficients calculator  i have found the coefficients and programmed AIC3204 

    if i have configured some values in to filters how would i analyse their properties how is the response? etc

    More over i am interested in using the bi-quad filters and i want to analyse them on a simulator and see the response first ....for that if choose MAT-LAB then i have make a filter with the given transfer function of bi-quad filter (as per AIC3204) and then calculate the coefficients and then i have to substitute them in the registers

    But i have stuck up at the simulation work  how to find out the coefficients  

  • Hi Daram:

              The coefficient in the filter has modify by the internal equation, so if you use the coefficient to simulate, the result will be always wrong.

              The best way you want to see the result is using AP to test the frequency response.

  • ? Confused you are answer seems near to my problem 

    what exactly is AP i have used some filter coefficients and also the AGC now 

    i have just programmed them but i dont have any theoretical results to prove them :) 

    how could i plot the Frequency Response for this particular problem

  • Hi Daram:

              I suggest you test without AGC, because the AGC will change the frequency response.

              You can compare the AP's picture with the TI Bi-quad Filter coefficients calculator.  AP(Audio Processor) is a machine which can test the audio signal.

              

  • ok i will stick to your suggestion to not to use agc while analysis of filters 

    but my actual question

    how to find out biquad filter coefficents present in aic3204 with out using TIBQ calculator ?

    how could i realise these filters on an simulator environment

    by the way what exactly is AP is that a software available ? or a matlab tool ? i didnot hear much about it