This thread has been locked.

If you have a related question, please click the "Ask a related question" button in the top right corner. The newly created question will be automatically linked to this question.

AIC34 ADCs seem to produce single sample spikes

Other Parts Discussed in Thread: DM3730

Hi,

we have a very strange effect: All 4 AIC34 Codec ADCs seems to produce single sample spikes on all channels at a rate of 100-1000ms statistically distributed. This looks like this when viewed in Audacity:

The spikes on the 4 channels do sometimes correlate but not necessarily.

Zoomed the spikes look like that. One can see that's always only one single sample.

Depending on the ADC DC offset, the spikes may also be inverted and go from the DC-Offset line to 0.0.

The effect can be reproduced on all of our devices (OMAP DM3730 + AIC34 w/ 26 MHz Clock).

Muting the corresponding ADC PGA (e.g. Register 15 Left-ADC PGA Gain Control Register) while recording removes the spikes.

Routing the audio input signals to an analog codec output seems not to have the spikes.

All audio inputs are configured differentially and have 6.2k resistors directly at the differential inputs, i.e. between LINE1RP LINE2RM:

Any ideas? Thanks in advance.

BR Roland

  • Looks like something may be wrong with the digital audio interface configuration. Please check that both the codec as well as the host processor use the correct format. Can you provide scope screenshots of the digital audio interface?

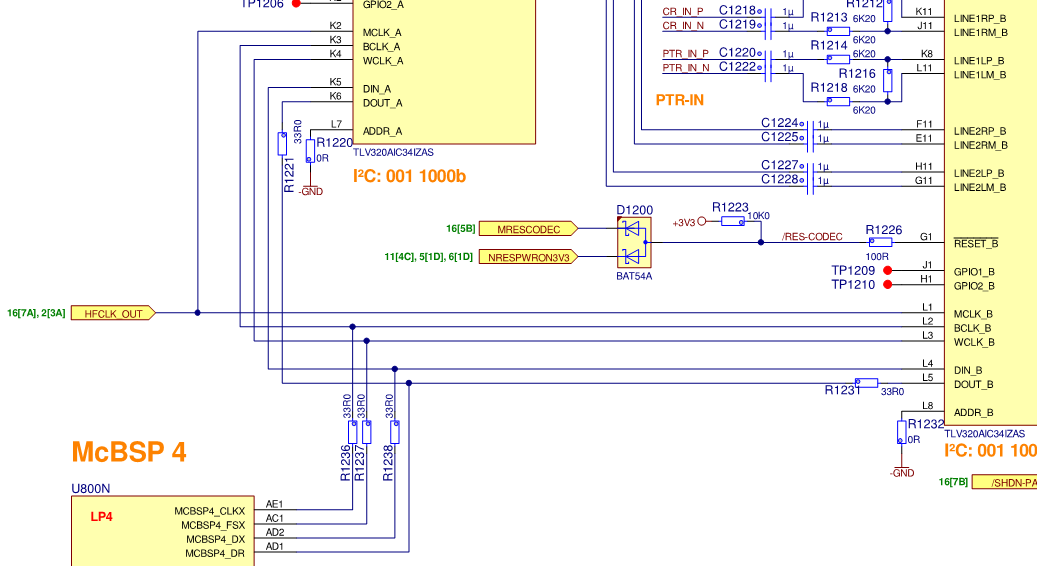
  • We took measurements directly at the DM3730 McBSP4 interface, i.e. "behind" the 33R termination resistors, see next figure:

    The timing when replaying and recording at the same time is as following:

    ch1=yellow=DR
    ch2=green=DX
    ch3=blue=FSX
    ch4=magenta=CLKX

    Do you see something strange in the figures? It looks like the DR and DX signals changes ~15ns after the rising edge of the CLKX signal.

    We currently check the used McBSP4 and AIC34 interface settings / configuration which is a bit complex in the Linux driver...

  • The screen shots look fine to me. I would make 100% sure that your processor is configured correctly for the interface (esp. clock polarity). The spikes that you are seeing look like the processor sometimes reads the wrong value for the MSB. Further info on TDM for the AIC34 is in http://www.ti.com/general/docs/lit/getliterature.tsp?baseLiteratureNumber=SLAA311&track=no

  • Thanks.

    After many futher tests we found the problem which is also hidden in the oscilloscope figures: The DOUT channels of block A and B "collided", they were not configured to be tristate when idle, i.e. when the other block is sending. This can be seen but has been overlooked by us from the amplitude of the yellow channel in the oscilloscope plots: The scope was set unintentionally to 1V/div, the others to 2 V/div, so the plots looked good, but the DOUT signal amplitude was roughly VCC/2 which caused the strange effects.

    After changing the codec configuration anything works fine now. Thanks for your support!

    By the way: For another project we want to use the AIC34 as a PC soundcard. However we couldn't find a streaming controller like the TAS1020B but which is recommended for new designs. Do you have any idea how to connect the AIC34 by USB to a PC? We need especially the great AGC and equalizing features of the AIC34 for the new design.

    BR Roland