This thread has been locked.

If you have a related question, please click the "Ask a related question" button in the top right corner. The newly created question will be automatically linked to this question.

Configure DAC in TLV320AIC3104.

Other Parts Discussed in Thread: TLV320AIC3104

Hello,


Can anybody please tell me how to configure DAC in TLV320AIC3104?


Thanks

  • Hi Shreya,

    As the TLV320AIC3104 Programming Made Easy document shows, there are several registers that must be configured in order to use the DAC. You may see the next picture for details (the default condition is shown in parenthesis):

     In order to avoid some issues with the DAC, it is necessary to configure the clock properly and to check the correct digital audio format. So, I suggest to check the registers related to the clock frequency and to the audio serial data interface control too.

    I hope this helps you. If you still have questions about the DAC configuration, please let me know.

    Best regards,

    Luis Fernando Rodríguez S.

  • Thanks

    Can you please tell me How can I change volume of DAC. I am confused in register 43,44,82 and 92.

    Please tell me proper configuration and range of volume

    Thanks and Regards

    shreya

  • Hi Shreya,

    You can use all the registers that you mentioned in order to configure the signal gain.

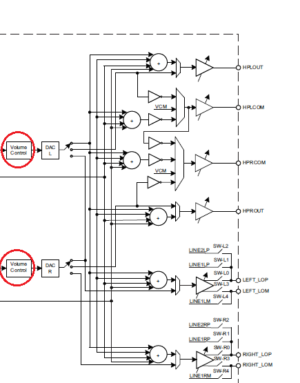
    • Regarding the registers 43 and 44, both are used to change the signal gain before the digital to analog conversion. Register 43 is used to configure the left DAC Volume and register 44 to configure the right DAC Volume (you may see the volume control circled in red). The range of gain is 0dB to -63.5dB in 0.5dB steps.

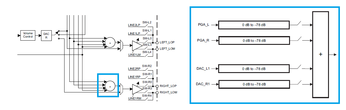
    • Then, from register 46 to register 92, there are some registers called Volume Control Registers. They are related to the mixing function of TLV320AIC3104. For example, if you're trying to route the DAC_R1 to RIGHT_LOP/M, you must configure the register 92 (DAC_R1 to RIGHT_LOP/M Volume Control Register) as bit D7='1' and bits D6-D0 with the analog gain values (see Table 51 of TLV320AIC3104 datasheet for details). You may see the next picture for details (the mixing function is marked in blue). The range of gain is 0dB to -78dB.

    • Finally, from register 51 to register 93, there are few registers called Output Level Control Registers. They are related to the output gain and they are used to amplify the signal. For example, if you are trying to use the RIGHT_LOP/M output, you must configure the register 93 as D7-D4 with the output level, the bit D3='1' to (RIGHT_LOP/M in not muted), the bit D1='0' (All programmed gains to RIGHT_LOP/M have been applied) and the bit D0='1' (RIGHT_LOP/M is fully powered up). The range of gain is 0dB to +9dB. You may see the next picture for details (the output gain block is marked in green).

    I hope this helps you. If you still have questions, please let me know.

    Best regards,

    Luis Fernando Rodríguez S.