This thread has been locked.

If you have a related question, please click the "Ask a related question" button in the top right corner. The newly created question will be automatically linked to this question.

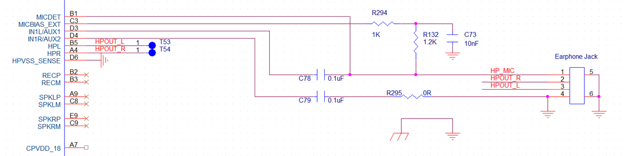
TLV320AIC3262 Audio Codec - Microphone Noise

Dear J

I can not reply at last forum so I create new one.

Now I modified schematic as this jpg :

My question is

1.HPVSS_SENSE connect to Earphone jack ground or DGND?

2.Earphone jack ground now is IN1R , so I can not connect it to DGND?

Thanks a lot!!

  • Hank,

    IN1L and IN1R can only be a differential pair if connected to the Right Channel ADC. Is this what you want? Otherwise, use IN1L and IN2R if you want to connect to Left ADC.

    ADC input and HP output are all referenced to AVSSx. So it is best to connect HPVSS_SENSE to same ground as Earphone Jack ground.

    No need to separate DVSS and AVSSx. You can use a single ground plane.

    Regards,

    J-