This thread has been locked.

If you have a related question, please click the "Ask a related question" button in the top right corner. The newly created question will be automatically linked to this question.

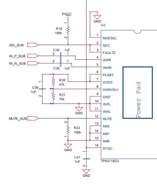
Need clarification on INNL and INPL grounding on TPA3116 in PBTL

Guru 15580 points

Can someone please clarify what type of ground connection (AC or DC) is required on the TPS3116 for a PBTL configuration? I found the following comment confusing:

.....after seeing the diagram in the following application diagram in the datasheet (Fig 27, P14) which shows INNL and INPL tied directly to ground.