Hi all,
I am trying to make use of the pac_dec_delay block in PurePath Studio using the AIC3254 chip.
The help page of the block states that I can get a max delay of 4800 samples using this block. However it seems I am limited to about 600 samples if I use a Deck parameter and a Pack parameter of 1. Do the 4800 when I Deck and a Pack of 4 and 2 respectively? I am working on an audio application and using anything other that Deck and Pack of 1 does not really seem like an option.
I am using two of the pac_dec_delay blocks in two audio channels and therefore it seems that the max delay I can have is about 300 samples on each channel.
At a sampling rate of 44100 Hz this gives me a maximum delay of about 7 msec per channel. Pretty limiting for my case as I need about 20 msec of delay per channel.
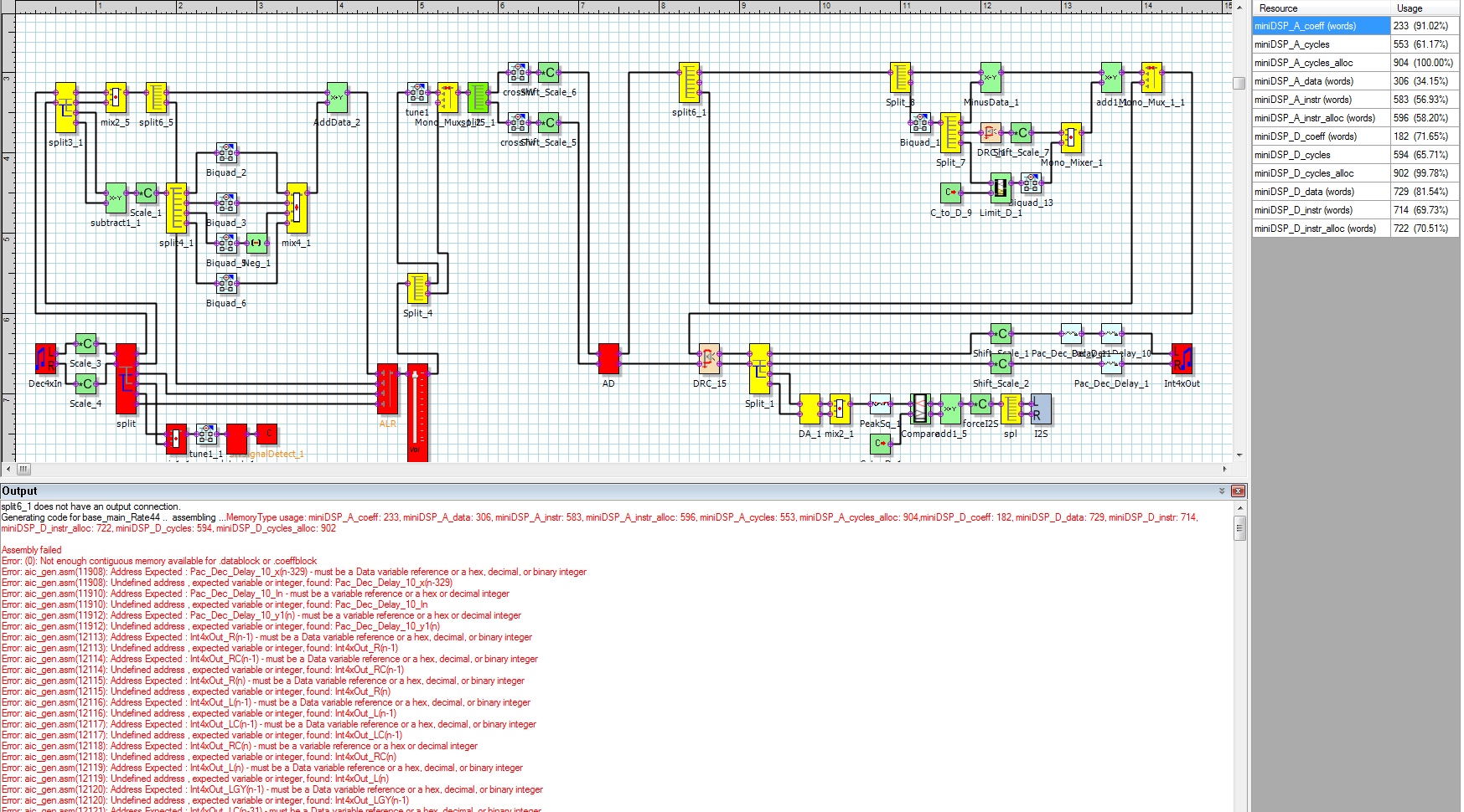
When I am trying to add another pac_dec_delay block in the design the design won't compile.
It shows the error below which indicates a memory issue. However in the resources window I do not see anything alarming.
I am not sure what is causing the error and how I could resolve this.
I am also not sure if the maximum delay I can have on each one of the two channels is 300 samples (about 600 in total) or there is a way to increase that.
Any advice that could point me to the right direction would be greatly appreciated.
thanks
Dimitris

