This thread has been locked.

If you have a related question, please click the "Ask a related question" button in the top right corner. The newly created question will be automatically linked to this question.

LM4752: fail issue

Part Number: LM4752


Hi team,

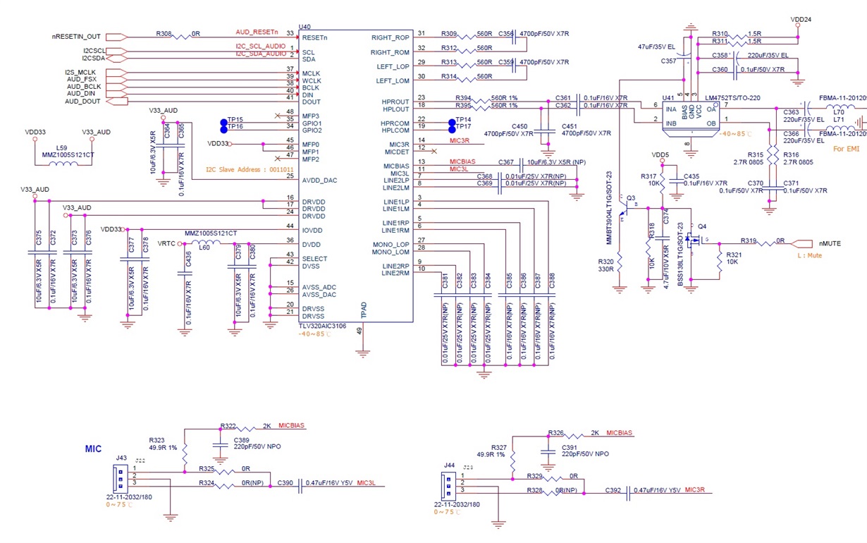
Could you help check the schematic as in below?

There is a production product with the LM4752 and the device failed by measuring impedance are all VDD short to GND.

Outputs are two 8ohm, 7W speaker.

Thank you!

  • Hi Zoe,

    probably C358 is too small. Especially if R310 and R311 are inserted and additionally increase the source impedance of supply.

    Kai
  • Hi Zoe,

    It seems that the device could have been damaged, so Have you tried to change the IC and see if the new one works?

    Best Regards
    José Luis Figueroa
    Audio Applications Engineer
  • Hi Jose,

    Actually we cannot see the fail by changing the IC.
    The fail are all happened on end customer side.
    I send the schematic, layout and waveforms to you by mail.
    Please help check~
    Thank you!
  • Hi Kai,

    C358 too small will effect output voice quality?
    And may also cause the LM4752 damaged?
    Thank you!
  • Hi Zoe,

    datasheet of LM4752 recommends a decoupling cap of 1000µF. But you are only using 220µF. This can make the LM4752 oscillate and overheat. And you should overthink the use of R310 and R311. It's not intended to have this series resistance in the power supply line. This can also increase the instability.

    Another issue is the chokes at output of LM4752. This amplifier does not need them because it is no digital amplifier.

    Kai
  • Hi Kai,

    By adding the chokes due to pass EMI.
    R310 and R311 are using to isolate the ESD from output to VDD.
    And there is a question about the decoupling cap, R310 and R311.
    With the 220uF and series resistance in the power supply line may be caused some stability issue but may cause to damage the IC?
    Now we would like to clarify these!
    Thank you~
  • Hi Zoe,

    a too small decoupling capacitance in combination with too high R310/R311 could make the chip oscillate and by this overheat.

    Kai
  • Hi Zoe,

    As You and Kai have been discussing C358 should be 1000uF to avoid decoupling problems that could cause oscillation. You should also remove the resistor R310 and R311 to avoid decoupling problems.
    I also recommend you to review the saturation current of the output inductors and make sure that they are not exceeding this current as this could also cause problems.

    Best Regards
    José Luis Figueroa
    Audio Applications Engineer
  • Hi Zoe,

    I haven't heard back from you, I am assuming that you were able to resolve your issue. If not, you just post a reply or create a new post if this one was closed due to time-out.

    Best Regards
    José Luis Figueroa
    Audio Applications Engineer