Kindly help me check those questions below. Thanks to all engineers who took time to respond to my forum. I would appreciate it if you could provide your suggestions and comments .
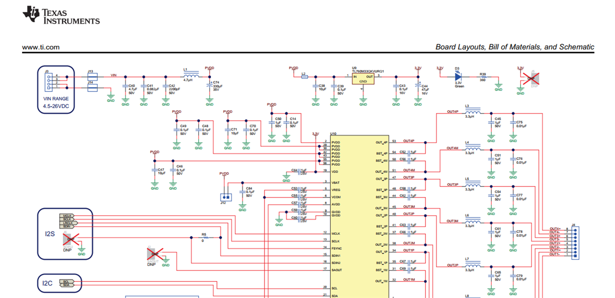
Semisky must use AP test because our performance index test does not meet the standard . We only have ordinary instruments but no AP with a filter so that there is an error in our R&D and production line testing .TI recommends that we may increase the external filter to test machine .Kindly provide parameters to make sure that our index is unified, Please.
CE Test on EMC is Failed .We had already rectified power supply and the parameters of load Resistance-Capacitance were still not OK .CE can be passed only After the 6624 power supply is completely removed .
