This thread has been locked.

If you have a related question, please click the "Ask a related question" button in the top right corner. The newly created question will be automatically linked to this question.

PCM9211: Horrible white noise from the SPDIF output

Part Number: PCM9211

Hi!

I'm working on a commercial design where i'm using the PCM9211 to convert analig audio to SPDIF. Previously I bought the PCM9211-EVM board, was able to get it to do what I wanted with a little help from this forum.

I then designed a two layer PCB where the registers is sat using i2c by a microcontroller. the SPDIF signal is then connected to a Toslink connector, and received by an SPDIF to analog converter where I connect my headphones.

As soon as the microcontroller have sat the correct registers (immitating the script shovn in the link above) the SPDIF output is heavily distored by loud white noise. I can still hear the music somewhere in there, but it's still unbearable.

I'm pretty sure it's nothing wrong with my code. I've modifyed my PCM9211-EVM board so I can control this with a microcontroller, and this board works perfectly fine with the exact same program as I run on my custom designed board. I'm also qiute sure it isn't the Toslink connector either, because I've also tried to desolder the one from the PCM9211-EVM board and use that one instead, but without any futher sucess (still white noise).

Here's a list of the current mods I've tried so far:

* Replaced the 100R current limiting resisitor on the crustal with a 0R one

* Replaced the 22p capacitors on the crystal with 10p ones

* Replace the 0R pullup resistor on pin 34 with a 10k one

* Connect all MPIO and RXIN pins to ground

Have anyone experiences this issue before?

Thanks and best!

Here's a photo of the PCB laypot around the PCM9211:

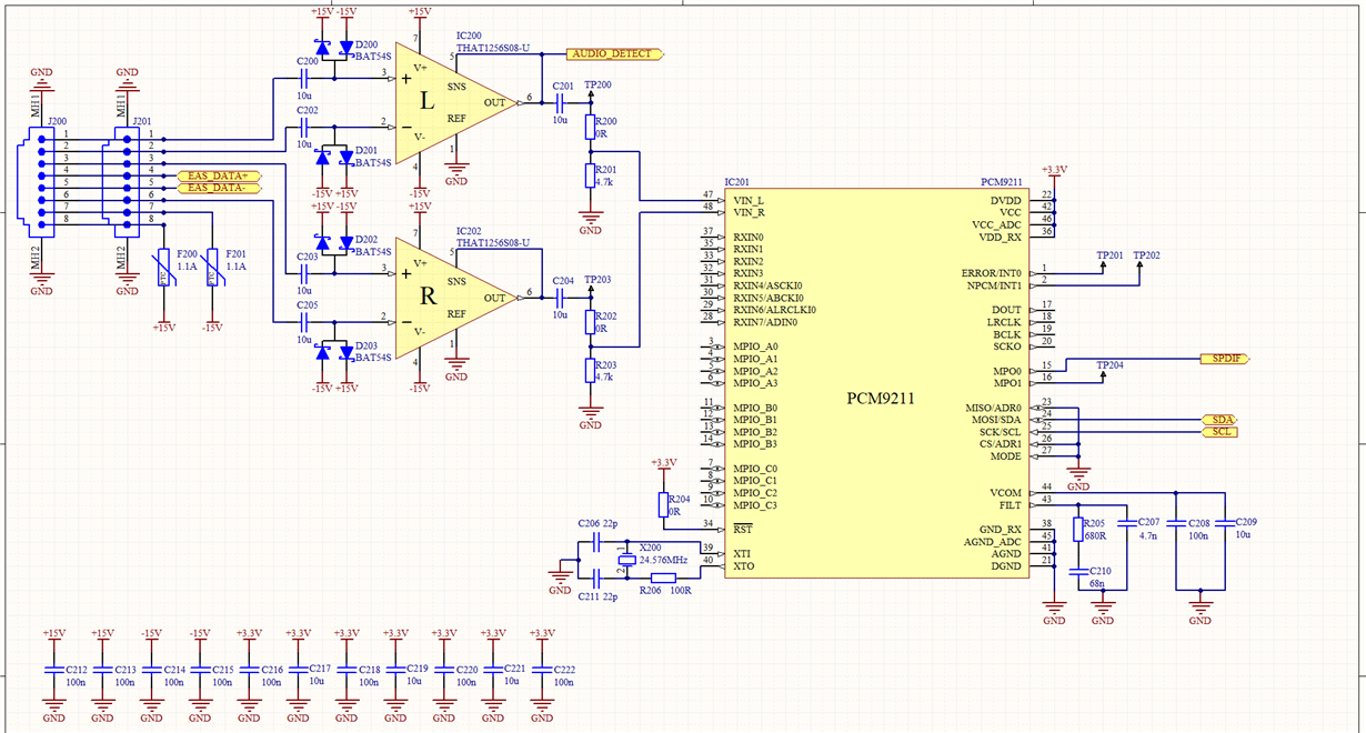
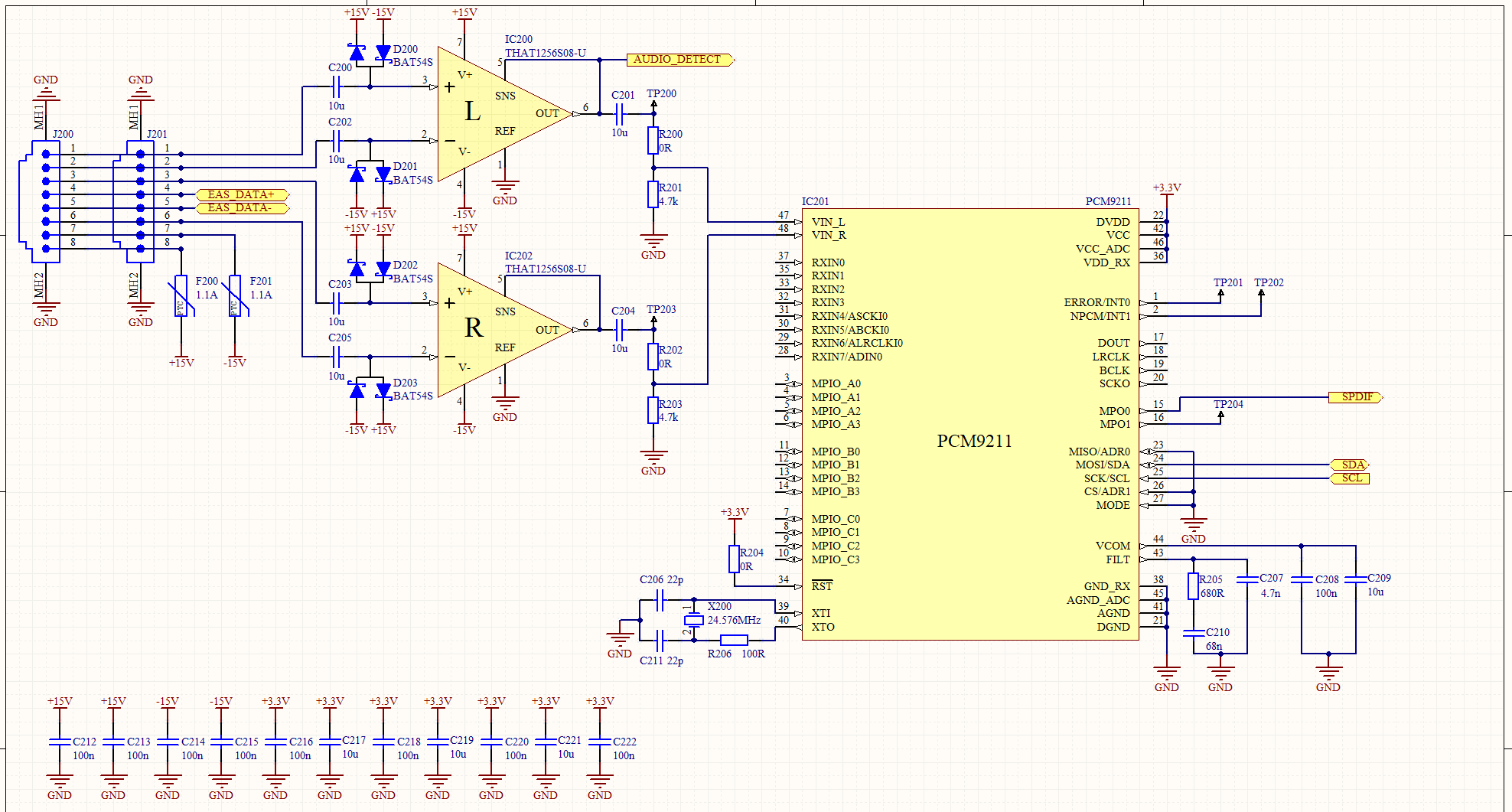
Here's the schematic sheet for it. Note that the decoupling capacitors (100n and 10u) are located very close to the power and ground pins with short ground return paths. the entire underside of the board is a solid ground plane.