This thread has been locked.

If you have a related question, please click the "Ask a related question" button in the top right corner. The newly created question will be automatically linked to this question.

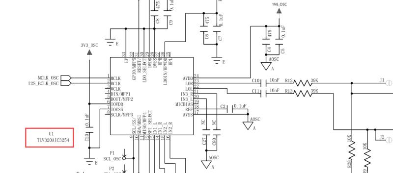
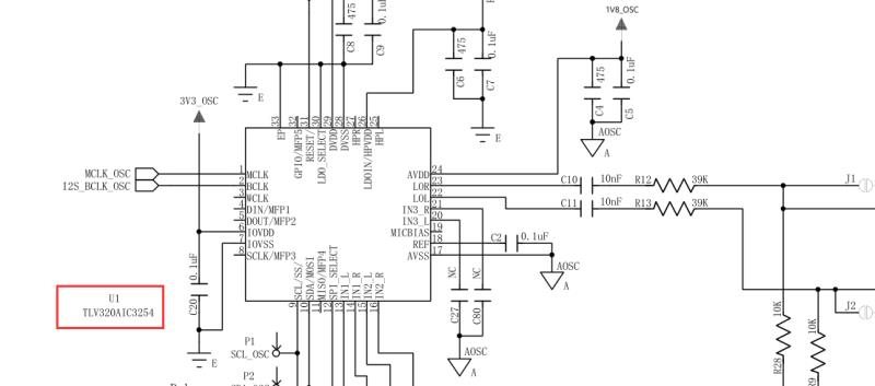
TLV320AIC3254: TLV320AIC3254 Can I configure it through I2C? Sine wave signals are output from LOR and LOL.

Expert 2630 points
Part Number: TLV320AIC3254
TLV320AIC3254 Can I configure it through I2C? Sine wave signals are output from LOR and LOL.     
The signal amplitude is 200 mV.           
Frequency 20K~40K
  • Hi, Clark,

    The AIC3254 features a miniDSP which can be configured by the user using PurePath Studio (PPS) software. Among other blocks, a tone generator is available within the miniDSP of the codec. You can develop an application on PPS to generate a tone and set the output to the line drivers. Please note that the tone generator is no very flexible.

    Best Regards,

      -Diego Meléndez López
       Audio Applications Engineer