This thread has been locked.

If you have a related question, please click the "Ask a related question" button in the top right corner. The newly created question will be automatically linked to this question.

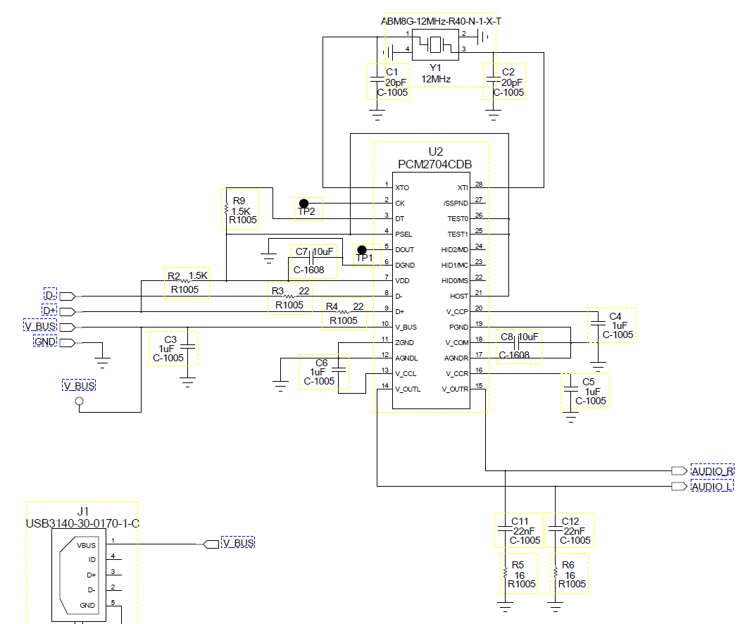
PCM2704C: Do I need to use Vdd as an external power source?

Part Number: PCM2704C
Other Parts Discussed in Thread: PCM2704

hello. TI team.

When using the internal Vdd(3.3V), 3.3V drops to 2.5V for 3 second. At 2.5V, audio out is cut off and the voltage returns to 3.3V.

When using external 3.3V, it operates normally.

Should I use an external 3.3V?

Can you see why voltage drops when using 3.3V internal?