This thread has been locked.

If you have a related question, please click the "Ask a related question" button in the top right corner. The newly created question will be automatically linked to this question.

TLV320AIC3204: Audio signal has problem

Part Number: TLV320AIC3204

Hi Team,

My customer now use 3204. When they use the spectrum analyzer to analyze the signal, they found the I2S output (micro→ADC in3204 →I2S output) has problem. 

The frequency between 200Hz-4kHz is flat, which is abnormal... And the voice of the speaker is very weak and has a lot of noisy...

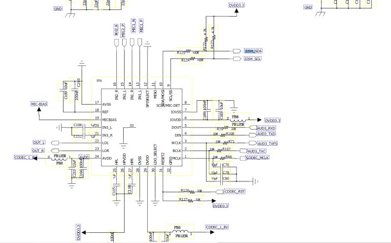
Here is the SCH

Any advice about how to configure the registers or optimize this problem?

Thanks!