Dear team,
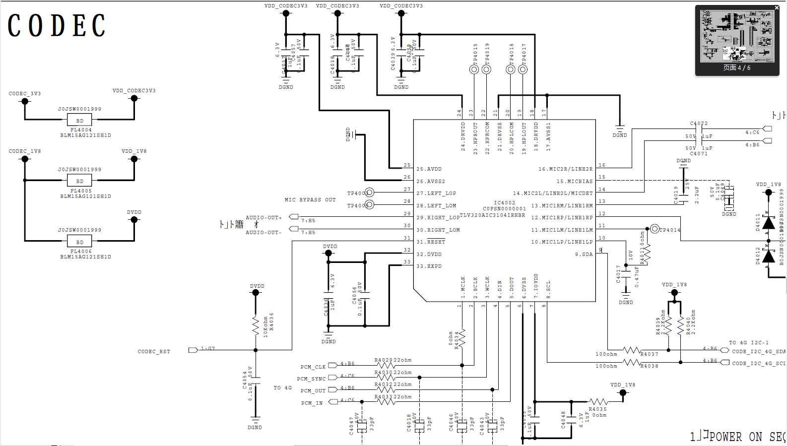
The 14 pin's input waveform(SIGNAL END) is as the right picture(Vpp=0.9V), and at this time the analog output's waveform is distorted as the left picture. When we reduce the input's Vpp to 0.65V, the analog output's waveform becomes normal without distortion. Is there any limit about the input's Vpp?
Thanks & Best Regards,
Sherry


