This thread has been locked.

If you have a related question, please click the "Ask a related question" button in the top right corner. The newly created question will be automatically linked to this question.

TLV320AIC3104-Q1: Analog input directly output

Part Number: TLV320AIC3104-Q1
Other Parts Discussed in Thread: TLV320AIC3104,

Hi team,

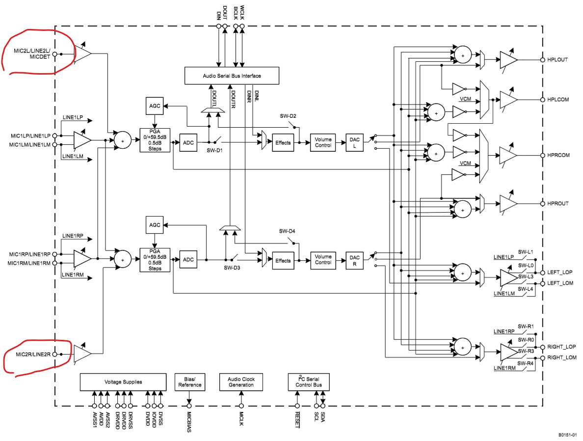
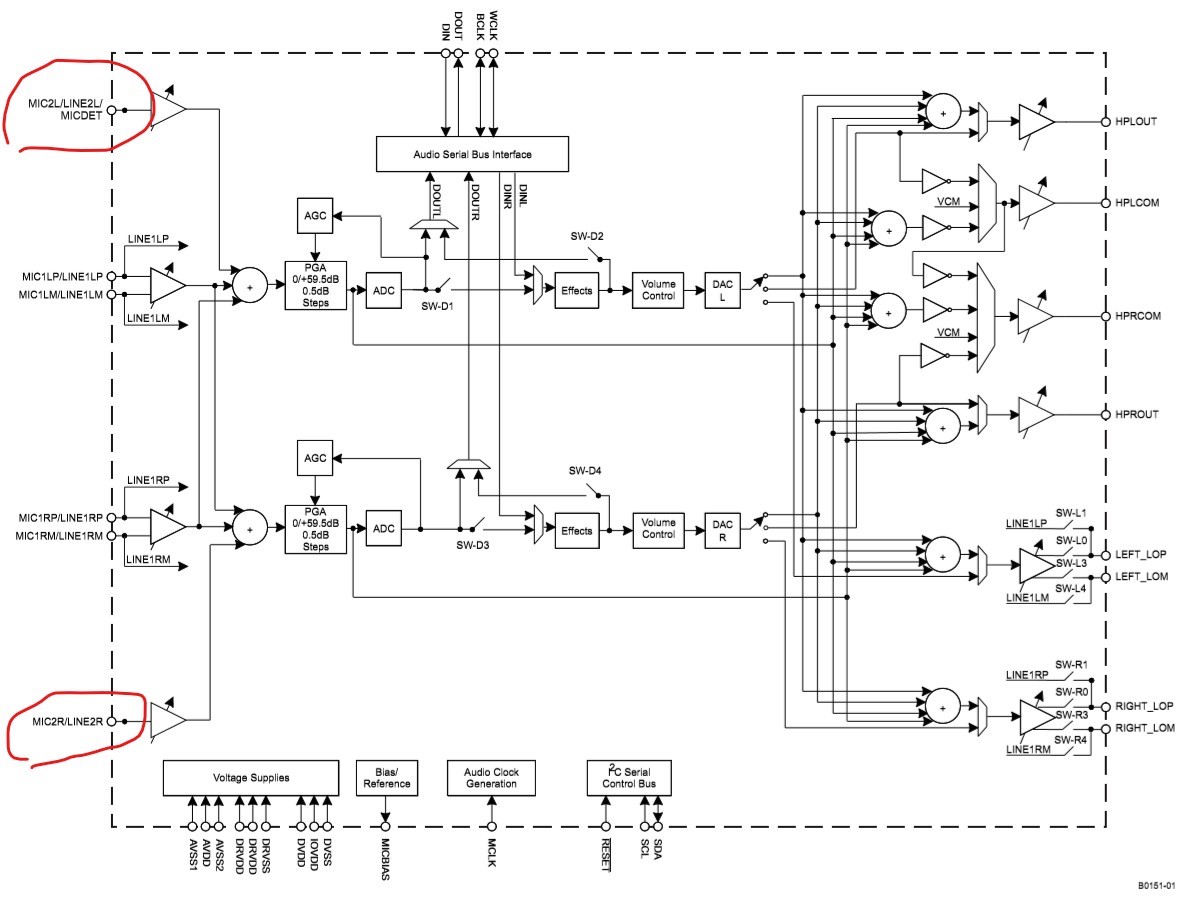
My customer wants to input analog signal into single-ended interface, propagates directly through ADC, DAC, and output differential analog signal.

I wonder if TLV320AIC3104 can do this? Because I notice there are SW-D1 and SW-D3, and I cannot control each switch to switch on through register configuration.

  • Hi Taoran,

    SW-D1 and SW-D3 may not be the right option for routing digitized MIC data to DAC and analog output drivers. SW-D1 and SW-D3 work in record-only mode, which means that the DACs have to be powered-off for this mode to work.

    Please refer to section 10.4.2 of the datasheet if you need further information regarding record-only mode. SW-D1 and SW-D3 can be configured using page 0, register 37 and page 0, register 107.

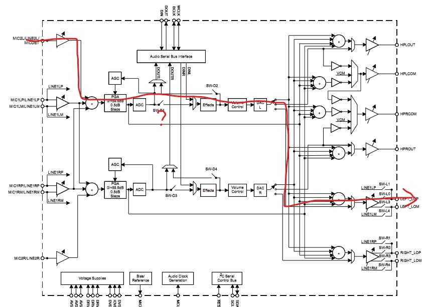
    Have you considered externally connecting the DOUT pin to DIN pin for routing ADC output to DAC? We believe this will probably be the most flexible option if you do not need to use the ASI interface for  receiving data from an external host.

    Best Regards.

  • Hi Diljith,

    I suppose my customer wants to select the source of audio through codec.

    But we can use the bypass path function described in section 9.3.13 to route the input signal to the output, rather than through AD and DA, is that right?

    Gary

  • Hi Gary,

    Yes. Analog bypass modes can be used if none of the digital features (HPFs, EQs etc.) are required.

    In fact, there are a few different analog bypass modes. These are described in section 10.4.1 of the datasheet. It is not in section 9.3.13 in the datasheet as you mentioned. In fact I do not see a section named 9.3.13. Could you take a look at the latest revision that I have hyperlinked above? All of these modes route audio through the codec but enable different blocks and so power profiles would be different. Please see which of these modes meet the specific requirements of the customer and let us know if you have further queries.

    Best Regards.

  • Hi,

    Thank you for your help.

    I suppose you are reading datasheet of TLV320AIC3104, and it's a little different from the datasheet of TLV320AIC3104-Q1, which has section 9.3.13. And this two device have some difference about bypass path. I think when I use single-ended input interface I can only use data path as I pointed out on the last post.

    The difference is as below:

    TLV320AIC3104-Q1

    TLV320AIC3104


  • Hi Gary,

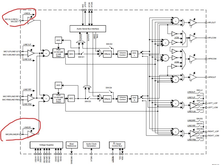
    Yes, I was referring to the datasheet of TLV320AIC3104. But even for TLV320AIC3104-Q1, it will not be possible to route data through SW-D1 and SW_D3 to the codec's analog outputs. SW-D1 can be used in record only mode. But the routing can be done without passing through the ADCs by bypassing the signal after the PGAs.

    The LINE2L/R routing would be through the analog input mixer (Figure 14 of datasheet) to the ADC PGA and then to the left and right Line Outputs.

    Refer to Page 0, Register 81/84, to route PGA outputs to left Line Outputs,

    Refer to Page0, Register 88/91, to route PGA outputs to right Line Outputs.

    I hope this meets the customer requirements.

    Best Regards.